جهاز إرسال واستقبال SFP28 LAN-WDM بسرعة 25 جيجابت في الثانية، وجهاز إرسال واستقبال DML&APD أحادي الوضع، ومدى يصل إلى 40 كم

جهاز إرسال واستقبال SFP28 LAN-WDM بسرعة 25 جيجابت في الثانية، وجهاز إرسال واستقبال DML&APD أحادي الوضع، ومدى يصل إلى 40 كم

ميزات المنتج

  • يدعم معدلات نقل بيانات تصل إلى 25.78 جيجابت في الثانية
  • مساحة توصيل SFP+ قابلة للتوصيل السريع
  • يصل مداها إلى 40 كم لنقل البيانات عبر الألياف أحادية النمط
  • متوافق مع معايير SFP+ MSA و SFF-8472 مع مقبس LC مزدوج
  • متوافق مع توجيهات RoHS
  • مزود طاقة واحد +3.3 فولت 2
  • المراقبة التشخيصية الرقمية في الوقت الحقيقي
  • درجة حرارة تشغيل الجهاز:
  • المعيار: من 0 إلى +70 درجة مئوية
فئات
  • تفاصيل المنتج

جهاز إرسال واستقبال SFP28 LAN-WDM بسرعة 25 جيجابت في الثانية، أحادي الوضع DML&APD، مدى يصل إلى 40 كم

RSPD-25GDL40-XXX

التطبيقات

  • 25GBASE-ER

وصف

تُعد أجهزة الإرسال والاستقبال SFP28 وحدات عالية الأداء وفعالة من حيث التكلفة تدعم معدل بيانات يبلغ 25.78 جيجابت في الثانية ومسافة نقل تصل إلى 40 كيلومترًا باستخدام SMF.

يتكون جهاز الإرسال والاستقبال من ثلاثة أقسام: جهاز إرسال ليزر DML مبرد، وثنائي ضوئي APD مدمج مع مضخم أولي للمقاومة العكسية (TIA)، ووحدة تحكم MCU. جميع الوحدات تستوفي متطلبات السلامة الليزرية من الفئة الأولى.

تتوافق أجهزة الإرسال والاستقبال مع اتفاقية SFP متعددة المصادر ووظائف التشخيص الرقمي SFF-8472.

25G SFP28 40km

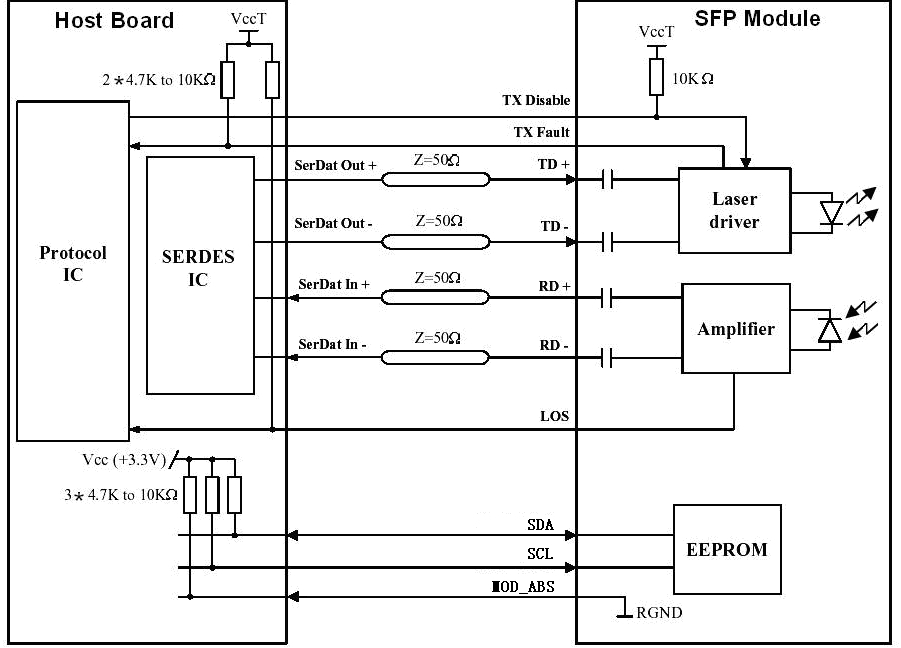
مخطط وظيفي لجهاز الإرسال والاستقبال

أعلى التقييمات المطلقة

المعلمة

رمز

دقيقة.

النوع.

الأعلى.

وحدة

درجة حرارة التخزين

تس

-40

- 85 درجة مئوية

الرطوبة النسبية

RH

5

- 95 %

جهد مصدر الطاقة

VCC

-0.3 - 4 V

جهد دخل الإشارة

VSI

Vcc-0.3

-

Vcc+0.3

V

ظروف التشغيل الموصى بها

المعلمة

رمز

دقيقة.

النوع.

الأعلى.

وحدة

ملحوظة

درجة حرارة تشغيل العلبة

علبة النقل

0

70

درجة مئوية

جهد مصدر الطاقة

VCC

3.14 3.3 3.47 V

تيار مصدر الطاقة

المحكمة الجنائية الدولية

600

مللي أمبير

معدل نقل البيانات

BR

25.78

جيجابت في الثانية

معدل الإرسال/معدل الوصفة الطبية

مسافة الإرسال

تي دي 40 كم

الألياف المزدوجة

الألياف أحادية النمط

ألياف أحادية الوضع 9/125 ميكرومتر

الخصائص البصرية

المعلمة

رمز

دقيقة.

النوع.

الأعلى.

وحدة

ملحوظة

جهاز الإرسال

أطوال موجات المسار (المدى)

من 1272.55 إلى 1274.54

من 1276.89 إلى 1278.89

من 1281.25 إلى 1283.27

من 1285.65 إلى 1287.69

من 1290.07 إلى 1292.12

من 1294.53 إلى 1296.59

من 1299.02 إلى 1301.09

من 1303.54 إلى 1305.63

من 1308.09 إلى 1310.19

نانومتر

متوسط قوة الإطلاق

صندوق بريد

0 - +6.0

ديسيبل ميلي واط

متوسط الطاقة المُطلقة (مع إيقاف تشغيل الليزر)

بوف

- -

-30

ديسيبل ميلي واط

عرض نطاق الطيف (-20 ديسيبل)

دل

- - 1 نانومتر

نسبة كبح الوضع الجانبي

SMSR

30 - - ديسيبل

عقوبة الإرسال والتشتت

TDP - - 1 ديسيبل

نسبة الانقراض

غرفة الطوارئ 3.5 - - ديسيبل

قناع العين للإخراج

متوافق مع معيار IEEE 802.3cc

ملاحظة (2)

المتلقي

الطول الموجي البصري المدخل

λIN

1272.55 1310.19 نانومتر

متوسط حساسية جهاز الاستقبال

PSens

-19

ديسيبل ميلي واط

ملاحظة (1)

حساسية جهاز الاستقبال - OMA

PSens-OMA

-18.2

ديسيبل ميلي واط

ملاحظة (1)

طاقة التشبع المدخلة (الحمل الزائد)

اختبار PSAT

-4

ديسيبل ميلي واط

ملاحظة (1)

انعكاس جهاز الاستقبال

-26

ديسيبل

فقدان الإشارة

بنسلفانيا

-30

ديسيبل ميلي واط

فقدان الإشارة

PD

-20

ديسيبل ميلي واط

LOS - التخلف

PHys

0.5

ديسيبل

ملحوظة:

ملحوظة ( 1 ): بير 5 x 10 -5

خصائص الواجهة الكهربائية

خصائص واجهة كهربائية عالية السرعة

المعلمة

رمز

مين

النوع

الأعلى

وحدة

ملحوظات

جهاز الإرسال

تأرجح الإدخال التفاضلي

Vin(pp)

190 700

ملي فولت

فقدان العودة التفاضلي للمدخلات (بالدقائق)

RLd(f)

9.5–0.37f، 0.01≤f<8

4.75–7.4log10(f/14)، 8 ≤f<19

ديسيبل

مدخل الوضع التفاضلي إلى الوضع المشترك خسارة العائد (بالدقائق)

RLdc(f)

22-20 (f/25.78)، 0.01≤f<12.89

15-6(f/25.78)، 12.89≤f<19

ديسيبل

عدم تطابق الإنهاء التفاضلي

10 %

عرض العين

مقرف

0.46

واجهة المستخدم

تطبيق ارتعاش جيبي من الذروة إلى الذروة

بي بي جيه

وفقًا لمعيار IEEE 802.3bm

ارتفاع العين

إيه

95

ملي فولت

جهد الوضع المشترك للتيار المستمر

DCv

-350

2850

ملي فولت

المتلقي

تأرجح خرج البيانات التفاضلية

Vout(pp)

300

- 850

ملي فولت

-

عرض العين

مقرف

0.57

- -

واجهة المستخدم

-

إغلاق العين عموديًا

متجه

-

- 5.5

ديسيبل

-

فقدان العودة التفاضلي للمخرجات (بالدقائق)

RLd(f)

9.5–0.37f، 0.01≤f<8

4.75–7.4log10(f/14)، 8 ≤f<19

ديسيبل

-

فقدان العودة المشترك في تحويل الوضع التفاضلي (بالدقائق)

RLdc(f)

22-20 (f/25.78)، 0.01≤f<12.89

15-6(f/25.78)، 12.89≤f<19

ديسيبل

-

عدم تطابق الإنهاء التفاضلي

-

- 10

%

-

مدة الانتقال، من 20% إلى 80%

Tr/Tf

12

- -

ملاحظة:

20%~80%

خصائص الواجهة الكهربائية منخفضة السرعة

المعلمة

رمز

دقيقة.

النوع.

الأعلى.

وحدة

جهاز الإرسال

عطل في جهاز الإرسال - خرج مرتفع

VFaultH

2 -

Vcc+0.3

V

عطل في جهاز الإرسال - انخفاض في خرج الجهاز

VFaultL

0 - 0.8

V

جهد تعطيل جهاز الإرسال - مرتفع

VDisH

2 -

Vcc+0.3

V

جهد تعطيل جهاز الإرسال - منخفض

VDisL

0 - 0.8

V

المتلقي

جهد خرج خط البصر - عالي

فيلووش

2 -

Vcc+0.3

V

جهد خرج خط البصر - منخفض

VLOSL

0 - 0.8

V

التوقيت والكهرباء

المعلمة

رمز

مين

عادي

الأعلى

وحدة

تعطيل الإرسال، وقت النفي

t_on

1

آنسة

تعطيل الإرسال وقت التأكيد

الأنيق

10

ميكروثانية

وقت التهيئة، بما في ذلك إعادة ضبط خطأ الإرسال

t_init

300

آنسة

وقت تأكيد خطأ الإرسال

خطأ t

100

ميكروثانية

تعطيل الإرسال لإعادة الضبط

t_reset

10

ميكروثانية

وقت تأكيد خط البصر

t_loss_on

100

ميكروثانية

وقت إلغاء تأكيد خط الرؤية

t_loss_off

400

ميكروثانية

معدل الساعة للمعرف التسلسلي

f_serial_clock

100 400

كيلوهرتز

MOD_DEF (0:2)-عالي

VH

2

Vcc

V

MOD_DEF (0:2)-منخفض

VL

0.8

V

التشخيص

المعلمة

يتراوح

وحدة

دقة

معايرة

درجة حرارة

من 0 إلى 70

درجة مئوية

±3 درجة مئوية

داخلي

الجهد االكهربى

من 3.0 إلى 3.6

V

±3%

داخلي

تيار الانحياز

من 0 إلى 100

مللي أمبير

±10%

داخلي

طاقة تي إكس

من 0 إلى 6

ديسيبل ميلي واط

±3 ديسيبل

داخلي

طاقة RX

من -19 إلى -4

ديسيبل ميلي واط

±3 ديسيبل

داخلي

خريطة الذاكرة التشخيصية الرقمية

توفر أجهزة الإرسال والاستقبال محتويات ذاكرة المعرف التسلسلي ومعلومات التشخيص حول ظروف التشغيل الحالية من خلال واجهة تسلسلية ثنائية الأسلاك (SCL، SDA).

يتم تنفيذ جميع المعلومات التشخيصية مع المعايرة الداخلية أو المعايرة الخارجية، بما في ذلك مراقبة الطاقة المستلمة، ومراقبة الطاقة المرسلة، ومراقبة تيار الانحياز، ومراقبة جهد الإمداد، ومراقبة درجة الحرارة.

يتم تعريف حقل البيانات الخاص بخريطة الذاكرة التشخيصية الرقمية على النحو التالي.

25G SFP28 40km

وصف الدبابيس

25Gbps SFP28 LAN-WDM Transceiver

دبوس

اسم الإشارة

وصف

توصيل التسلسل

ملحوظات

1

فيت

أرضي جهاز الإرسال

1
2

عطل في تكساس

مؤشر عطل جهاز الإرسال

3

ملاحظة 1

3

تعطيل TX

تعطيل جهاز الإرسال

3

ملاحظة 2

4

السبتيين

إشارة بيانات تسلسلية SDA

3
5

SCL

إشارة الساعة التسلسلية SCL

3
6

MOD_ABS

الوحدة غائبة. متجذرة داخل الوحدة

3
7

RS0

غير متصل

3
8

نظام الرؤية

فقدان الإشارة

3

ملاحظة 3

9

RS1

غير متصل

3
10

فير

أرضي جهاز الاستقبال

1
11

فير

أرضي جهاز الاستقبال

1
12

RD-

تم استلام البيانات الواردة

3

ملاحظة 4

13

RD+

تم استلام البيانات

3

ملاحظة 4

14

فير

أرضي جهاز الاستقبال

1
15

VCCR

مزود طاقة جهاز الاستقبال

2
16

VCCT

مصدر طاقة جهاز الإرسال

2
17

فيت

أرضي جهاز الإرسال

1
18

TD+

إرسال البيانات في

3

ملاحظة 5

19

TD-

إرسال البيانات

3

ملاحظة 5

20

فيت

أرضي جهاز الإرسال

1

ملحوظات:

تسلسل التوصيل: تسلسل تعشيق الدبابيس أثناء التوصيل السريع.

1) عطل الإرسال (TX Fault) هو خرج ذو مجمع مفتوح، ويجب رفع جهده باستخدام مقاومة تتراوح قيمتها بين 4.7 كيلو أوم و10 كيلو أوم على اللوحة الرئيسية إلى جهد يتراوح بين 2.0 فولت وVcc+0.3 فولت. يشير المنطق 0 إلى التشغيل الطبيعي، بينما يشير المنطق 1 إلى وجود عطل ما في الليزر. في حالة الانخفاض، سينخفض جهد الخرج إلى أقل من 0.8 فولت.

2) يتم تعطيل خرج الليزر عند TDIS >2.0V أو مفتوح، ويتم تمكينه عند TDIS <0.8V.

3) مخرج LOS هو مخرج ذو مجمع مفتوح. يجب توصيله بمقاومة سحب تتراوح بين 4.7 كيلو أوم و10 كيلو أوم على اللوحة الرئيسية، ليصل الجهد إلى ما بين 2.0 فولت و3.6 فولت. يشير المنطق 0 إلى التشغيل الطبيعي، بينما يشير المنطق 1 إلى فقدان الإشارة.

4) RD-/+: هذه هي مخارج جهاز الاستقبال التفاضلية. وهي عبارة عن خطوط تفاضلية داخلية موصولة بتيار متردد، ويجب إنهاؤها بمقاومة 100 أوم (تفاضلية) عند منفذ SERDES الخاص بالمستخدم.

5) TD-/+: هذه هي مدخلات جهاز الإرسال التفاضلي. وهي عبارة عن خطوط تفاضلية مقترنة داخليًا بتيار متردد، مع إنهاء تفاضلي 100 أوم داخل الوحدة.

R دائرة واجهة موصى بها

25Gbps SFP28 LAN-WDM Transceiver

الأبعاد الميكانيكية

25g transceiver

معلومات الطلب

رقم القطعة

وصف المنتج

RSPD-25GD40L-273

SFP28 1273.54nm LAN-WDM، 25.78 جيجابت في الثانية، LC، 40 كم، 0 درجة مئوية ~ +70 درجة مئوية، مع DDM

RSPD-25GDL40-277

SFP28 1277.89nm LAN-WDM، 25.78 جيجابت في الثانية، LC، 40 كم، 0 درجة مئوية ~ +70 درجة مئوية، مع DDM

RSPD-25GDL40-282

SFP28 1282.26nm LAN-WDM، 25.78 جيجابت في الثانية، LC، 40 كم، 0 درجة مئوية ~ +70 درجة مئوية، مع DDM

RSPD-25GDL40-286

SFP28 1286.67nm LAN-WDM، 25.78 جيجابت في الثانية، LC، 40 كم، 0 درجة مئوية ~ +70 درجة مئوية، مع DDM

RSPD-25GDL40-291

SFP28 1291.10nm LAN-WDM، 25.78 جيجابت في الثانية، LC، 40 كم، 0 درجة مئوية ~ +70 درجة مئوية، مع DDM

RSPD-25GDL40-295

SFP28 1295.56nm LAN-WDM، 25.78 جيجابت في الثانية، LC، 40 كم، 0 درجة مئوية ~ +70 درجة مئوية، مع DDM

RSPD-25GDL40-300

SFP28 1300.05 نانومتر LAN-WDM، 25.78 جيجابت في الثانية، LC، 40 كم، 0 درجة مئوية ~ +70 درجة مئوية، مع DDM

RSPD-25GDL40-304

SFP28 1304.58nm LAN-WDM، 25.78 جيجابت في الثانية، LC، 40 كم، 0 درجة مئوية ~ +70 درجة مئوية، مع DDM

RSPD-25GDL40-309

SFP28 1309.14nm LAN-WDM، 25.78 جيجابت في الثانية، LC، 40 كم، 0 درجة مئوية ~ +70 درجة مئوية، مع DDM

هل تريد معرفة المزيد عن هذا المنتج؟

أرسل أ رسالة
ترك رسالة

إذا كنت مهتمًا بمنتجاتنا وترغب في معرفة المزيد من التفاصيل، فيرجى ترك رسالة هنا، وسنرد عليك في أقرب وقت ممكن.

المنتجات ذات الصلة
25G SFP28 Transceiver جهاز إرسال واستقبال ضوئي بتقنية CWDM من نوع SFP28 بسرعة 25 جيجابت في الثانية
وحدة الإرسال والاستقبال الضوئية 25G SFP28 CWDM، تدعم سرعة نقل تصل إلى 25 جيجابت/ثانية ولمسافة تصل إلى 10 كيلومترات، وتعمل في حلول اتصال مراكز البيانات عالية السرعة، وحلول النقل الأمامي لشبكات الجيل الخامس، وما إلى ذلك.
25G SFP28 Transceiver جهاز إرسال واستقبال ضوئي بتقنية MWDM من نوع SFP28 بسرعة 25 جيجابت في الثانية
وحدة الإرسال والاستقبال الضوئية 25G SFP28 MWDM، تدعم سرعة نقل تصل إلى 25 جيجابت/ثانية ولمسافة تصل إلى 10 كيلومترات، وتعمل في حلول اتصال IDC عالية السرعة، وحلول النقل الأمامي لشبكة 5G، وما إلى ذلك.
25G SFP28 Transceiver جهاز إرسال واستقبال ضوئي SFP28 LWDM بسرعة 25 جيجابت
وحدة الإرسال والاستقبال الضوئية 25G SFP28 LWDM، تدعم سرعة نقل تصل إلى 25 جيجابت/ثانية ولمسافة تصل إلى 10 كيلومترات، وتعمل في حلول اتصال IDC عالية السرعة، وحلول النقل الأمامي لشبكة 5G، وما إلى ذلك.
25G SFP28 Transceiver جهاز إرسال واستقبال ضوئي DWDM من نوع SFP28 بسرعة 25 جيجابت في الثانية
وحدة الإرسال والاستقبال الضوئية 25G SFP28 DWDM، تدعم سرعة نقل تصل إلى 25 جيجابت/ثانية ولمسافة تصل إلى 10 كيلومترات، وتعمل في حلول اتصال مراكز البيانات عالية السرعة، وحلول النقل الأمامي لشبكات الجيل الخامس، وما إلى ذلك.
25G SFP28 Transceiver جهاز إرسال واستقبال ضوئي ثنائي الاتجاه SFP28 بسرعة 25 جيجابت في الثانية
وحدة إرسال واستقبال ضوئية ثنائية الاتجاه 25G SFP28، تدعم سرعة نقل تصل إلى 25 جيجابت/ثانية ولمسافة تصل إلى 10 كيلومترات، وتعمل في حلول اتصال مراكز البيانات عالية السرعة، وحلول النقل الأمامي لشبكات الجيل الخامس، وما إلى ذلك.
25G SFP28 Transceiver جهاز إرسال واستقبال ضوئي SFP28 بسرعة 25 جيجابت
وحدة إرسال واستقبال ضوئية SFP28 بسرعة 25 جيجابت/ثانية، تدعم سرعة نقل تصل إلى 25 جيجابت/ثانية، ودقة فائقة تصل إلى 100 متر، ودقة منخفضة 25G SFP28 يصل مدى الإرسال إلى 10 كيلومترات، و ER 25G SFP28 يصل مداها إلى 40 كم، وتعمل في حلول اتصال IDC عالية السرعة، وما إلى ذلك.
China SFP 1.25G 1550nm 200KM DDM Optical Transceiver جهاز إرسال واستقبال ضوئي SFP بسرعة 1.25 جيجابت/ثانية وطول موجي 1550 نانومتر ومدى 200 كيلومتر
وحدة إرسال واستقبال ضوئية SFP بسرعة 1.25 جيجابت/ثانية، تدعم نقل البيانات بسرعة 1.25 جيجابت/ثانية لمسافة 200 كيلومتر، وتعمل في حلول اتصال IDC عالية السرعة، ومفاتيح الشبكة، وPTN، وOTN، وما إلى ذلك. الميزات: وصلات بيانات تصل إلى 1.25 جيجابت/ثانية قابل للتوصيل السريع موصل LC مزدوج يصل مداه إلى 200 كم على ألياف أحادية الوضع 9/125 ميكرومتر جهاز إرسال ليزر DF مبرد 1550 نانومتر مستقبل APD مصدر طاقة واحد +3.3 فولت واجهة مراقبة متوافقة مع معيار SFF-8472 أقصى طاقة < 1.5 واط نطاق درجة حرارة التشغيل: تجاري: من 0 درجة مئوية إلى 70 درجة مئوية، صناعي: من -40 درجة مئوية إلى +85 درجة مئوية متوافق مع معايير RoHS وخالٍ من الرصاص التطبيقات: شبكات المترو/الوصول إيثرنت 1000Base-EZX بسرعة 1.25 جيجابت/ثانية قناة ألياف واحدة وصلات بصرية أخرى
1.25G SFP  Transceiver جهاز إرسال واستقبال ضوئي SFP بتقنية CWDM بسرعة 1.25 جيجابت بمدى 40 كم
سمات: معدل نقل البيانات 1.25 جيجابت في الثانية جهاز إرسال ليزر DFB بتقنية CWDM ذو 18 طول موجي من من 1270 نانومتر إلى 1610 نانومتر، بخطوة 40 نانومتر متوافق مع معايير SFP MSA و SFF-8472 متوافق مع SONET OC-24-LR-1 متوافق مع توجيهات RoHS مصدر طاقة واحد +3.3 فولت منفذ SFP مزدوج قابل للتوصيل السريع درجة حرارة علبة التشغيل المعيار: من 0 درجة مئوية إلى +70 درجة مئوية التطبيقات: إيثرنت جيجابت بنية تحتية لمفاتيح قنوات الألياف واجهة الموجه/الخادم أنظمة نقل ضوئية أخرى
ترك رسالة
ترك رسالة
إذا كنت مهتمًا بمنتجاتنا وترغب في معرفة المزيد من التفاصيل، فيرجى ترك رسالة هنا، وسنرد عليك في أقرب وقت ممكن.

بيت

منتجات

عن

اتصال