مفتاح بصري ميكانيكي 2x4

مفتاح بصري ميكانيكي 2x4

سمات

  • تكلفة منخفضة لا مثيل لها
  • تشوهات بصرية منخفضة
  • عزل عالي
  • موثوقية عالية
  • مسار بصري خالٍ من الإيبوكسي

التطبيقات

  • حجب القنوات
  • إضافة/حذف قابلة للتكوين
  • مراقبة النظام
  • الأجهزة
فئات
  • تفاصيل المنتج

مفتاح بصري ميكانيكي 2x4

يقوم مفتاح الألياف الضوئية 2×4 بتوصيل القنوات الضوئية عن طريق توجيه أو حجب الإشارة الضوئية الواردة إلى ألياف الإخراج. ويتحقق ذلك باستخدام تصميم كهروضوئي ميكانيكي قيد براءة الاختراع، ويتم تفعيله عبر إشارة تحكم كهربائية. يحافظ الإصدار المزود بآلية تثبيت على المسار الضوئي المحدد بعد إزالة إشارة التشغيل، بينما تعود الإصدارات غير المزودة بآلية تثبيت إلى حالة الفتح أو الإغلاق تلقائيًا عند انقطاع التيار الكهربائي. يحتوي المفتاح على مستشعرات موضع كهربائية مدمجة. يقلل التصميم المتقدم الجديد القائم على مواد عالية الجودة بشكل كبير من حساسية موضع الأجزاء المتحركة، مما يوفر استقرارًا عاليًا غير مسبوق وتكلفة منخفضة لا مثيل لها.

2x4 Mechanical Optical Switch

تحديد

حدود

تحديد

وحدة

طول الموجة التشغيلية

1260~1620 (سم)، 850 (مم)

نانومتر

فقد الإدخال

≤1.2

ديسيبل

الفقد المعتمد على الطول الموجي

≤0.40

ديسيبل

الفقد المعتمد على الاستقطاب

≤0.05

ديسيبل

الفقد المعتمد على درجة الحرارة

≤0.20

ديسيبل

خسارة العودة

SM≥50 MM≥30

ديسيبل

التداخل الصوتي

SM≥55 MM≥35

ديسيبل

وقت التبديل

≤8

آنسة

قابلية التكرار

≤±0.02

ديسيبل

متانة

≥107

أوقات

جهد التشغيل

3 أو 5

V

نوع المفتاح

غير قابل للقفل/قابل للقفل

/

درجة حرارة التشغيل

-20~+70

درجة مئوية

درجة حرارة التخزين

-40~+85

درجة مئوية

القدرة الضوئية

≤500

mw

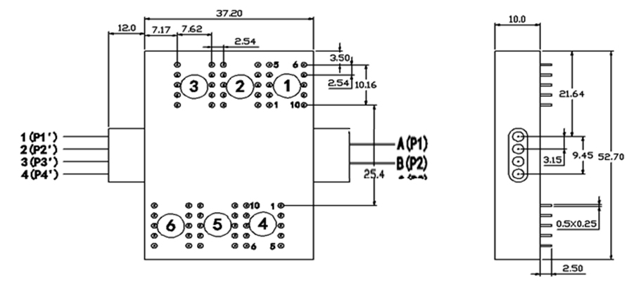
الأبعاد

52.7 طول × 37.2 عرض × 10.0 ارتفاع

مم

تكوينات الدبابيس

يكتب

ولاية

محرك كهربائي

مستشعر الحالة

2×4

الدبوس 1

الدبوس 5

الدبوس 6

الدبوس رقم 10

الدبوس 2-3

الدبوس 3-4

الدبوس 7-8

الدبوس 8-9

مزلاج

0

--

--

أرضي

V+

يغلق

يفتح

يفتح

يغلق

1

V+

أرضي

--

--

يفتح

يغلق

يغلق

يفتح

غير قابل للقفل

0

--

--

--

--

يغلق

يفتح

يفتح

يغلق

1

V+

--

--

أرضي

يفتح

يغلق

يغلق

يفتح

لا.

المسار البصري

التتابع

1

2

3

4

5

6

1

أ-1، ب-2

0

0

0

1

0

1

2

أ-1، ب-3

1

1

0

1

1

1

3

أ-1، ب-4

1

1

0

1

1

0

4

أ-2، ب-1

0

1

0

1

0

1

5

أ-2، ب-3

1

1

1

1

1

1

6

أ-2، ب-4

1

1

1

0

1

1

7

أ-3، ب-1

0

0

1

1

1

1

8

أ-3، ب-2

0

1

1

1

1

1

9

أ-3، ب-4

1

1

1

0

0

1

10

أ-4، ب-1

0

0

1

1

1

0

11

أ-4، ب-2

0

1

1

1

1

0

12

أ-4، ب-3

1

1

1

0

0

0

الأبعاد الميكانيكية (الوحدة: مم)

2x4 Mechanical Optical Switch

المسار البصري

2x4 Mechanical Optical Switch

معلومات الطلب

RD-FSW

-2x4-

-الطول الموجي-

-نوع المفتاح-

-الجهد االكهربى-

-نوع الألياف-

-طَرد-

-طول الألياف-

-موصل-

1060=1

C + L = 2

1310=3

1410 = 4

1550 = 5

650 = 6

780=7

1260-1610=أ

1310/1550=9

850=8

خاص = 0

الإغلاق = 1

غير قابل للقفل = 2

خاص = 0

3 فولت = 3

5 فولت = 5

خاص = 0

SM28=1

50/125=5

62.5/125=6

خاص = 0

الألياف العارية = 1

أنبوب 900 ميكرومتر = 3

خاص = 0

0.25 متر = 1

0.5 متر = 2

1.0 متر = 3

خاص = 0

لا شيء = 1

FC/PC=2

FC/APC=3

SC/PC=4

SC/APC=5

ST/PC=6

LC/PC=7

LC مزدوج = 8

خاص = 0

هل تريد معرفة المزيد عن هذا المنتج؟

أرسل أ رسالة
ترك رسالة

إذا كنت مهتمًا بمنتجاتنا وترغب في معرفة المزيد من التفاصيل، فيرجى ترك رسالة هنا، وسنرد عليك في أقرب وقت ممكن.

المنتجات ذات الصلة
Mechanical Fiber Optical Switch مفتاح بصري ميكانيكي 1x2
مفتاح بصري ميكانيكي 1x2 منخفض التكلفة لا مثيل له تشوهات بصرية منخفضة عزل عالي موثوقية عالية مسار بصري خالٍ من الإيبوكسي
Mechanical Fiber Optical Switch مفتاح بصري ميكانيكي مزدوج 1x2
مفتاح بصري ميكانيكي D1x2 منخفض التكلفة بشكل لا مثيل له تشوهات بصرية منخفضة عزل عالي موثوقية عالية مسار بصري خالٍ من الإيبوكسي
Mechanical Fiber Optical Switch مفتاح بصري ميكانيكي كامل 2x2
مفتاح بصري ميكانيكي كامل 2x2 بتكلفة منخفضة لا مثيل لها تشوهات بصرية منخفضة عزل عالي موثوقية عالية مسار بصري خالٍ من الإيبوكسي
Mechanical Fiber Optical Switch مفتاح بصري ميكانيكي ثنائي الاتجاه 2x2
مفتاح بصري ميكانيكي ثنائي الاتجاه منخفض التكلفة بشكل لا مثيل له تشوهات بصرية منخفضة عزل عالي موثوقية عالية مسار بصري خالٍ من الإيبوكسي
Mechanical Fiber Optical Switch مفتاح بصري ميكانيكي مزدوج 2x2 للتجاوز
مفتاح بصري ميكانيكي مزدوج 2x2 ذو تكلفة منخفضة لا مثيل لها تشوهات بصرية منخفضة عزل عالي موثوقية عالية مسار بصري خالٍ من الإيبوكسي
Mechanical Fiber Optical Switch مفتاح ميكانيكي بصري صغير
مفتاح بصري ميكانيكي صغير الحجم ذو تكلفة منخفضة لا مثيل لها تشوهات بصرية منخفضة عزل عالي موثوقية عالية مسار بصري خالٍ من الإيبوكسي
Mechanical Fiber Optical Switch مفتاح بصري ميكانيكي 1x4
مفتاح بصري ميكانيكي صغير الحجم ذو تكلفة منخفضة لا مثيل لها تشوهات بصرية منخفضة عزل عالي موثوقية عالية مسار بصري خالٍ من الإيبوكسي
Mechanical Fiber Optical Switch مفتاح بصري ميكانيكي 4x4
مفتاح بصري ميكانيكي صغير الحجم ذو تكلفة منخفضة لا مثيل لها تشوهات بصرية منخفضة عزل عالي موثوقية عالية مسار بصري خالٍ من الإيبوكسي
ترك رسالة
ترك رسالة
إذا كنت مهتمًا بمنتجاتنا وترغب في معرفة المزيد من التفاصيل، فيرجى ترك رسالة هنا، وسنرد عليك في أقرب وقت ممكن.

بيت

منتجات

عن

اتصال