مفتاح ميكانيكي بصري صغير

مفتاح ميكانيكي بصري صغير

  • مفتاح بصري ميكانيكي صغير الحجم ذو تكلفة منخفضة لا مثيل لها
  • تشوهات بصرية منخفضة
  • عزل عالي
  • موثوقية عالية
  • مسار بصري خالٍ من الإيبوكسي
فئات
  • تفاصيل المنتج

مفتاح ميكانيكي بصري صغير




ال مفتاح تحويل الألياف الضوئية المصغر يتضمن هذا الجهاز مفتاحًا بصريًا ثنائي الاتجاه (2x2) وثنائي الاتجاه (1x2) وثنائي الاتجاه (1x1)، حيث يربط القنوات البصرية بتوجيه أو حجب الإشارة البصرية الواردة إلى ألياف الإخراج. ويتحقق ذلك باستخدام تصميم كهروضوئي ميكانيكي حاصل على براءة اختراع، ويتم تفعيله عبر إشارة تحكم كهربائية. يحافظ الإصدار المزود بآلية تثبيت على المسار البصري المحدد بعد إزالة إشارة التشغيل، بينما تعود الإصدارات غير المزودة بآلية تثبيت إلى حالة الفتح أو الإغلاق تلقائيًا عند انقطاع التيار الكهربائي. يحتوي المفتاح على مستشعرات كهربائية مدمجة لتحديد الموضع. يقلل التصميم المتقدم الجديد القائم على مواد عالية الجودة بشكل كبير من حساسية موضع الأجزاء المتحركة، مما يوفر استقرارًا عاليًا غير مسبوق وتكلفة منخفضة لا مثيل لها.


تحديد

طول الموجة التشغيلية

1260~1620 نانومتر (SM)

850 نانومتر (MM)

فقد الإدخال

≤1.0 ديسيبل

الفقد المعتمد على الطول الموجي

≤0.25 ديسيبل

الفقد المعتمد على الاستقطاب

≤0.05 ديسيبل

الفقد المعتمد على درجة الحرارة

≤0.20 ديسيبل

خسارة العودة

SM≥50dB

MM≥30dB

التداخل الصوتي

SM≥55dB

MM≥35dB

وقت التبديل

≤8 مللي ثانية

قابلية التكرار

≤±0.02 ديسيبل

متانة

≥10 7 أوقات

جهد التشغيل

3 أو 5 فولت

نوع المفتاح

غير قابل للقفل/قابل للقفل

درجة حرارة التشغيل

-20~+70 درجة مئوية

درجة حرارة التخزين

-40~+85 درجة مئوية

القدرة الضوئية

≤500 ميلي واط

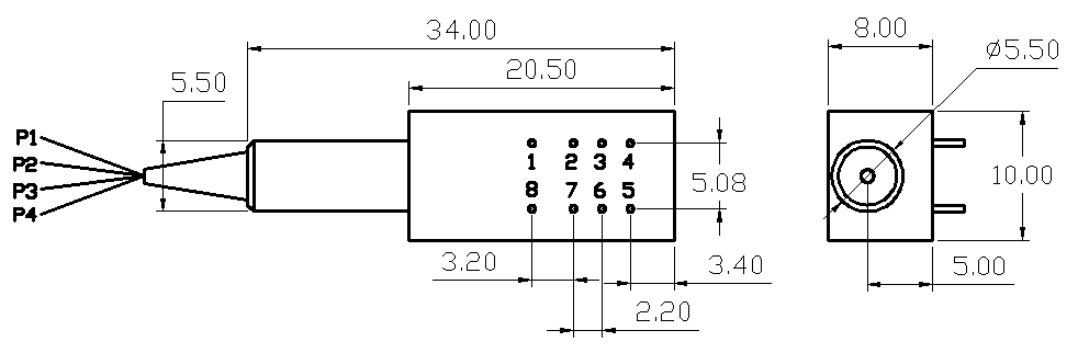
الأبعاد

20.5 طول × 10.0 عرض × 8.2 ارتفاع ملم

تكوينات الدبابيس

يكتب

المسار البصري

محرك كهربائي

مستشعر الحالة

الدبوس 1

دبوس 8

الدبوس 2-3

Pin3-4

دبوس 5-6

الدبوس 6-7

2x2

مزلاج

من P1 إلى P4

أرضي

V+

يغلق

يفتح

يفتح

يغلق

P1-P3، P2-P4

V+

أرضي

يفتح

يغلق

يغلق

يفتح

غير قابل للقفل

من P1 إلى P4

--

--

يغلق

يفتح

يفتح

يغلق

P1-P3، P2-P4

V+

أرضي

يفتح

يغلق

يغلق

يفتح

1x2

مزلاج

P1-P3

أرضي

V+

يغلق

يفتح

يفتح

يغلق

P1-P2

V+

أرضي

يفتح

يغلق

يغلق

يفتح

غير قابل للقفل

P1-P3

--

--

يغلق

يفتح

يفتح

يغلق

P1-P2

V+

أرضي

يفتح

يغلق

يغلق

يفتح

1x1

مزلاج

غير ضوئي

أرضي

V+

يغلق

يفتح

يفتح

يغلق

P1-P2

V+

أرضي

يفتح

يغلق

يغلق

يفتح

غير قابل للقفل

غير ضوئي

--

--

يغلق

يفتح

يفتح

يغلق

P1-P2

V+

أرضي

يفتح

يغلق

يغلق

يفتح

الأبعاد الميكانيكية (الوحدة: مم)




المسار البصري

مسار بصري 1×1

مسار بصري 1×2

مسار بصري 2×2

معلومات الطلب


RD-FSW

-م-

-الطول الموجي-

-نوع المفتاح-

-الجهد االكهربى-

-نوع الألياف-

-طَرد-

-طول الألياف-

-موصل-

1x1

1x2B

2x2B

1060=1

C + L = 2

1310=3

1410 = 4

1550 = 5

650 = 6

780=7

1260-1610=أ

1310/1550=9

850=8

خاص = 0

الإغلاق = 1

غير قابل للقفل = 2

قفل صغير = 3

صغير بدون مزلاج = 4

خاص = 0

3 فولت = 3

5 فولت = 5

خاص = 0

SM28=1

50/125=5

62.5/125=6

خاص = 0

الألياف العارية = 1

أنبوب 900 ميكرومتر = 3

خاص = 0

0.25 متر = 1

0.5 متر = 2

1.0 متر = 3

خاص = 0

لا شيء = 1

FC/PC=2

FC/APC=3

SC/PC=4

SC/APC=5

ST/PC=6

LC/PC=7

LC مزدوج = 8

خاص = 0


هل تريد معرفة المزيد عن هذا المنتج؟

أرسل أ رسالة
ترك رسالة

إذا كنت مهتمًا بمنتجاتنا وترغب في معرفة المزيد من التفاصيل، فيرجى ترك رسالة هنا، وسنرد عليك في أقرب وقت ممكن.

المنتجات ذات الصلة
Mechanical Fiber Optical Switch مفتاح بصري ميكانيكي 1x2
مفتاح بصري ميكانيكي 1x2 منخفض التكلفة لا مثيل له تشوهات بصرية منخفضة عزل عالي موثوقية عالية مسار بصري خالٍ من الإيبوكسي
Mechanical Fiber Optical Switch مفتاح بصري ميكانيكي مزدوج 1x2
مفتاح بصري ميكانيكي D1x2 منخفض التكلفة بشكل لا مثيل له تشوهات بصرية منخفضة عزل عالي موثوقية عالية مسار بصري خالٍ من الإيبوكسي
Mechanical Fiber Optical Switch مفتاح بصري ميكانيكي كامل 2x2
مفتاح بصري ميكانيكي كامل 2x2 بتكلفة منخفضة لا مثيل لها تشوهات بصرية منخفضة عزل عالي موثوقية عالية مسار بصري خالٍ من الإيبوكسي
Mechanical Fiber Optical Switch مفتاح بصري ميكانيكي ثنائي الاتجاه 2x2
مفتاح بصري ميكانيكي ثنائي الاتجاه منخفض التكلفة بشكل لا مثيل له تشوهات بصرية منخفضة عزل عالي موثوقية عالية مسار بصري خالٍ من الإيبوكسي
Mechanical Fiber Optical Switch مفتاح بصري ميكانيكي مزدوج 2x2 للتجاوز
مفتاح بصري ميكانيكي مزدوج 2x2 ذو تكلفة منخفضة لا مثيل لها تشوهات بصرية منخفضة عزل عالي موثوقية عالية مسار بصري خالٍ من الإيبوكسي
Mechanical Fiber Optical Switch مفتاح بصري ميكانيكي 1x4
مفتاح بصري ميكانيكي صغير الحجم ذو تكلفة منخفضة لا مثيل لها تشوهات بصرية منخفضة عزل عالي موثوقية عالية مسار بصري خالٍ من الإيبوكسي
Mechanical Fiber Optical Switch مفتاح بصري ميكانيكي 4x4
مفتاح بصري ميكانيكي صغير الحجم ذو تكلفة منخفضة لا مثيل لها تشوهات بصرية منخفضة عزل عالي موثوقية عالية مسار بصري خالٍ من الإيبوكسي
Mechanical Fiber Optical Switch مفتاح بصري ميكانيكي 1xN
مفتاح بصري ميكانيكي يصل إلى 1x64 تكلفة منخفضة لا مثيل لها تشوهات بصرية منخفضة عزل عالي موثوقية عالية مسار بصري خالٍ من الإيبوكسي
ترك رسالة
ترك رسالة
إذا كنت مهتمًا بمنتجاتنا وترغب في معرفة المزيد من التفاصيل، فيرجى ترك رسالة هنا، وسنرد عليك في أقرب وقت ممكن.

بيت

منتجات

عن

اتصال