وحدة بصرية صغيرة أحادية القناة ذات 12 دبوسًا

وحدة بصرية صغيرة أحادية القناة ذات 12 دبوسًا

صُممت وحدة الإرسال الضوئية أحادية القناة الصغيرة ذات 12 سنًا لنقل البيانات عبر اللوحة الخلفية الضوئية، ومصفوفات الرادار الرقمية، وشبكات الإيثرنت/سونيت/إس دي إتش/إف سي، والمحولات. تتميز هذه الوحدة برأس توصيل ذي 12 سنًا مع واجهة إدارة I2C وتصميم مُحسَّن لأطراف الإشارة. تعمل الوحدة بأطوال موجية 850 نانومتر/1310 نانومتر/1550 نانومتر، ضمن نطاق درجة حرارة من -40 درجة مئوية إلى +85 درجة مئوية، وتدعم معدلات نقل بيانات من 1.25 جيجابت في الثانية إلى 10.3125 جيجابت في الثانية.

فئات
  • تفاصيل المنتج

وحدة بصرية صغيرة أحادية القناة ذات 12 دبوسًا

سمات

  • حجم صغير، غلاف معدني بالكامل، تصميم مضاد للاهتزاز
  • يدعم سرعات تصل إلى 10.3125 جيجابت في الثانية
  • واجهة رأسية ذات 12 دبوسًا
  • استهلاك منخفض للطاقة (<1 واط)
  • نطاق واسع لدرجة حرارة التشغيل: من -40 درجة مئوية إلى +85 درجة مئوية
  • واجهة I2C مع التشخيص الرقمي DDMI

التطبيقات

  • إيثرنت، SONET/SDH/FC
  • مفاتيح كهربائية
  • مصفوفات الرادار الرقمية
  • نقل البيانات عبر اللوحة الخلفية الضوئية

المواصفات الفنية

نموذج

القنوات

الطول الموجي

معدل

طاقة الإرسال

حساسية الوصفة الطبية

هيكل الحزمة

درجة حرارة التشغيل

RM12-6GS10-31I

أحادي النمط، ثنائي الألياف ثنائي الاتجاه

1310 نانومتر

6.25 جيجابت في الثانية

-5 إلى 3 ديسيبل ميلي واط

≤-14 ديسيبل ميلي واط

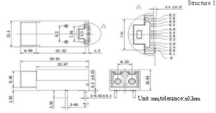
الهيكل 1

-40 إلى +85 درجة مئوية

RM12-10GS10-31I

1310 نانومتر

10.3125 جيجابت في الثانية

-5 إلى 3 ديسيبل ميلي واط

≤-11 ديسيبل ميلي واط

الهيكل 1

RM12-6GS10-55I

1550 نانومتر

6.25 جيجابت في الثانية

-5 إلى 3 ديسيبل ميلي واط

≤-14 ديسيبل ميلي واط

الهيكل 1

RM12-10GS10-55I

1550 نانومتر

10.3125 جيجابت في الثانية

-5 إلى 3 ديسيبل ميلي واط

≤-11 ديسيبل ميلي واط

الهيكل 1

RM12-6GS10-XXI

CWDM

الألياف المزدوجة ثنائية الاتجاه

متوافق مع معيار ITU-T G.694.2

6.25 جيجابت في الثانية

-5 إلى 3 ديسيبل ميلي واط

≤-14 ديسيبل ميلي واط

الهيكل 1

RM12-10GS10-XXI

10.3125 جيجابت في الثانية

-5 إلى 3 ديسيبل ميلي واط

≤-11 ديسيبل ميلي واط

الهيكل 1

RM12-6GM03-85I

متعدد الأوضاع، ثنائي الألياف ثنائي الاتجاه

850 نانومتر

6.25 جيجابت في الثانية

-5 إلى 1 ديسيبل ميلي واط

≤-14 ديسيبل ميلي واط

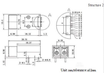
الهيكل 2

RM12-10GM03-85I

850 نانومتر

10.3125 جيجابت في الثانية

-5 إلى 1 ديسيبل ميلي واط

≤-11 ديسيبل ميلي واط

الهيكل 2

RM12-10G-85M5531S-I

هجين أحادي/متعدد الأنماط، ثنائي الألياف ثنائي الاتجاه

850 نانومتر T

1550/1330 نانومتر R

10.3125 جيجابت في الثانية

-5 إلى 2 ديسيبل ميلي واط

≤-18 ديسيبل ميلي واط

الهيكل 2

RM12-10G-31S85M-I

1310 نانومتر T

850 نانومتر R

10.3125 جيجابت في الثانية

-5 إلى 3 ديسيبل ميلي واط

≤-11 ديسيبل ميلي واط

الهيكل 2

RM12-10G-XXC85M-I

أطوال موجات CWDM T

850 نانومتر R

10.3125 جيجابت في الثانية

-5 إلى 3 ديسيبل ميلي واط

≤-11 ديسيبل ميلي واط

الهيكل 2

أبعاد

هل تريد معرفة المزيد عن هذا المنتج؟

أرسل أ رسالة
ترك رسالة

إذا كنت مهتمًا بمنتجاتنا وترغب في معرفة المزيد من التفاصيل، فيرجى ترك رسالة هنا، وسنرد عليك في أقرب وقت ممكن.

المنتجات ذات الصلة
10PIN Miniature Single-Channel Optical Module وحدة بصرية مصغرة أحادية القناة ذات 10 دبابيس
تُستخدم وحدة الإرسال الضوئية أحادية القناة المصغرة ذات العشرة دبابيس بشكل أساسي في نقل البيانات عبر اللوحات الخلفية الضوئية، ومصفوفات الرادار الرقمية، وشبكات الإيثرنت/سونيت/إس دي إتش/إف سي، والمحولات، وغيرها من مجالات الاتصالات الرقمية عبر الألياف الضوئية. تتميز هذه الوحدة بحجمها الصغير، ومقاومتها للاهتزازات، وقدرتها على مقاومة التداخل. تعتمد الوحدة هيكلًا معدنيًا بالكامل مع موصل ذي عشرة دبابيس كواجهة كهربائية. وهي تتضمن جهاز إرسال واستقبال ضوئي أحادي القناة، يعمل بأطوال موجية 850 نانومتر/1310 نانومتر/1550 نانومتر. يتراوح نطاق درجة حرارة التشغيل من -40 درجة مئوية إلى +85 درجة مئوية، وتدعم معدلات نقل أحادية القناة من 1.25 جيجابت في الثانية إلى 10.3125 جيجابت في الثانية.
SNAP12 Series Parallel Optical Transceiver Module وحدة الإرسال والاستقبال الضوئية المتوازية من سلسلة SNAP12
صُممت وحدة الإرسال والاستقبال الضوئية المتوازية من سلسلة SNAP12 لنقل البيانات عالي السرعة لمسافات قصيرة، ولتوصيلات بصرية متوازية، مثل اللوحات الخلفية الضوئية، ووصلات الخوادم بمصفوفات التخزين، وأنظمة معالجة الرادار. تتميز هذه الوحدة بانخفاض الإشعاع الكهرومغناطيسي وقدرات عالية لمقاومة التداخل. وهي متوافقة مع بروتوكول SNAP12 MSA، وتستخدم واجهة كهربائية قابلة للتوصيل 10×10Pin، وتدعم واجهة موصل ضوئي MPO قياسية. يتراوح نطاق درجة حرارة التشغيل من -40 درجة مئوية إلى +85 درجة مئوية، مع معدلات نقل أحادية القناة تتراوح من 1.25 جيجابت في الثانية إلى 10.3125 جيجابت في الثانية.
Series Parallel LCC Optical Transceiver Module وحدة الإرسال والاستقبال الضوئية المتوازية من سلسلة LCC
صُممت وحدة الإرسال والاستقبال الضوئية المتوازية من سلسلة LCC لنقل البيانات عالي السرعة لمسافات قصيرة، ولتوصيلات الألياف الضوئية المتوازية، مثل اللوحات الخلفية الضوئية، ووصلات الخوادم بمصفوفات التخزين، وأنظمة معالجة الرادار. تتميز هذه الوحدة بحجمها الصغير، وانخفاض مستوى الإشعاع الكهرومغناطيسي، وقدرتها العالية على مقاومة التداخل. تعتمد الوحدة على غلاف LCC (حامل رقاقة بدون أسلاك) مع واجهة ألياف ضوئية قياسية MT/MPO. يتراوح نطاق درجة حرارة التشغيل من -55 درجة مئوية إلى +85 درجة مئوية، وتدعم معدلات نقل أحادية القناة من 1.25 جيجابت في الثانية إلى 10.3125 جيجابت في الثانية.
POB Series Single-Mode 4-Channel Parallel Optical Transceiver Module وحدة إرسال واستقبال ضوئية متوازية أحادية الوضع رباعية القنوات من سلسلة POB
صُممت وحدة الإرسال والاستقبال الضوئية المتوازية أحادية النمط من سلسلة POB لنقل البيانات عالي السرعة لمسافات طويلة، ولتوصيلات بصرية متوازية في تطبيقات مثل اللوحات الخلفية الضوئية، ووصلات الخوادم بمصفوفات التخزين، وأنظمة معالجة الرادار. تتميز هذه الوحدة بانخفاض الإشعاع الكهرومغناطيسي وقدرات عالية لمقاومة التداخل. تأتي الوحدة بأبعاد صغيرة تبلغ 27 مم × 27 مم × 7.8 مم، وتستخدم موصل LGA (مصفوفة الشبكة الأرضية) ذو 10×10 دبابيس للتوصيل الكهربائي، وتدعم موصل MPO ضوئيًا قياسيًا قابلًا للتوصيل. يتراوح نطاق درجة حرارة التشغيل من -40 درجة مئوية إلى +85 درجة مئوية، مع معدلات نقل أحادية القناة تصل إلى 10.3125 جيجابت في الثانية، ومسافة نقل قصوى تبلغ 10 كيلومترات.
POB24 Series Parallel Optical Transceiver Module وحدة الإرسال والاستقبال الضوئية المتوازية من سلسلة POB24
صُممت وحدة الإرسال والاستقبال الضوئية المتوازية من سلسلة POB24 لأنظمة القيادة والتحكم في الاتصالات الدفاعية، مما يتيح التحويل ثنائي الاتجاه بين الإشارات الكهربائية والضوئية متعددة القنوات. تعتمد الوحدة على بنية تغليف محكمة الإغلاق من نوع Micro-Socket، وتتميز بموصل كهربائي زنبركي وواجهة ضوئية MT/MPO ذات 24 نواة. تعمل الوحدة ضمن نطاق درجة حرارة بيئية يتراوح بين -40 درجة مئوية و+85 درجة مئوية، وتدعم معدلات نقل أحادية القناة تتراوح من 1.25 جيجابت في الثانية إلى 10.3125 جيجابت في الثانية.
POB48 Series Parallel Optical Transceiver Module وحدة الإرسال والاستقبال الضوئية المتوازية من سلسلة POB48
صُممت وحدة الإرسال والاستقبال الضوئية المتوازية من سلسلة POB48 لأنظمة القيادة والتحكم في الاتصالات الدفاعية، مما يتيح التحويل ثنائي الاتجاه بين الإشارات الكهربائية والضوئية متعددة القنوات. تعتمد الوحدة على بنية غلاف محكمة الإغلاق من نوع المقبس الصغير، وتتميز بموصل كهربائي زنبركي قابل للضغط وواجهة ضوئية MT/MPO ذات 48 نواة. تعمل الوحدة ضمن نطاق درجة حرارة يتراوح بين -40 درجة مئوية و+85 درجة مئوية، وتدعم معدلات نقل أحادية القناة تتراوح من 1.25 جيجابت في الثانية إلى 10.3125 جيجابت في الثانية.
10G Multimode 850nm Industrial-grade 10Pin Optical Module وحدة بصرية صناعية متعددة الأوضاع بسرعة 10 جيجابت/ثانية وطول موجي 850 نانومتر ذات 10 دبابيس
وصف الميزة تصميم هيكلي أكثر إحكامًا: ارتفاع الوحدة 12 مم فقط دبابيس إدخال/إخراج مثبتة على السطح مُحسَّنة لضمان سلامة الإشارة عالية السرعة غلاف معدني كامل نطاق واسع لدرجات الحرارة مع تصميم مضاد للاهتزاز مزود بوظيفة الكشف عن إشارة البيانات المستلمة يعمل حصريًا على مصدر طاقة واحد بجهد +3.3 فولت نوع واجهة LC أبعاد الدبابيس والتركيب متوافقة تمامًا مع منتجات ستراتوس
10G 1310nm 10KM Dual-Fiber Industrial-Grade 10PIN Surface-Mount Miniaturized Optical Transceiver جهاز إرسال واستقبال ضوئي مصغر ذو 10 دبابيس، بتردد 10 جيجابت/ثانية، وطول موجي 1310 نانومتر، ومدى 10 كيلومترات، من الفئة الصناعية، ثنائي الألياف، يُركب على السطح.
وصف الميزة تصميم هيكلي أكثر إحكامًا - ارتفاع الوحدة 12 مم فقط دبابيس إدخال/إخراج مثبتة على السطح مُحسَّنة لضمان سلامة الإشارة عالية السرعة غلاف معدني كامل نطاق درجة حرارة عسكري مع تصميم مضاد للاهتزاز مزود بوظيفة الكشف عن إشارة البيانات المستلمة يعمل حصريًا على مصدر طاقة واحد بجهد +3.3 فولت نوع واجهة LC أبعاد الدبابيس والتركيب متوافقة تمامًا مع منتجات ستراتوس
ترك رسالة
ترك رسالة
إذا كنت مهتمًا بمنتجاتنا وترغب في معرفة المزيد من التفاصيل، فيرجى ترك رسالة هنا، وسنرد عليك في أقرب وقت ممكن.

بيت

منتجات

عن

اتصال