جهاز إرسال واستقبال SFP+ بتقنية DWDM FC بسرعة 16 جيجابت في الثانية، نطاق C، EML، مدى يصل إلى 40 كم

جهاز إرسال واستقبال SFP+ بتقنية DWDM FC بسرعة 16 جيجابت في الثانية، نطاق C، EML، مدى يصل إلى 40 كم

تُعد أجهزة الإرسال والاستقبال SFP+ وحدات عالية الأداء وفعالة من حيث التكلفة تدعم معدل بيانات يبلغ 16 جيجابت في الثانية ومسافة نقل تبلغ 40 كيلومترًا باستخدام الألياف أحادية النمط (SMF).

يتكون جهاز الإرسال والاستقبال من ثلاثة أقسام: جهاز إرسال ليزر EML مبرد، وثنائي ضوئي PIN مدمج مع مضخم أولي للمقاومة العكسية (TIA)، ووحدة تحكم MCU. جميع الوحدات تستوفي متطلبات السلامة من الفئة الأولى لليزر.

تتوافق أجهزة الإرسال والاستقبال مع اتفاقية SFP متعددة المصادر ووظائف التشخيص الرقمي SFF-8472.

فئات
  • تفاصيل المنتج

جهاز إرسال واستقبال SFP+ بتقنية DWDM FC بسرعة 16 جيجابت في الثانية، نطاق C، EML، مدى 40 كم RSPD-16GD40-CXX

ميزات المنتج

  • يدعم معدلات نقل بيانات تصل إلى 16 جيجابت في الثانية
  • مساحة توصيل SFP+ قابلة للتوصيل السريع
  • ليزر DWDM EML وثنائي ضوئي PIN، يصل مداه إلى 40 كم لنقل SMF
  • متوافق مع معايير SFP+ MSA و SFF-8472 مع مقبس LC مزدوج
  • متوافق مع توجيهات RoHS
  • مصدر طاقة واحد +3.3 فولت
  • المراقبة التشخيصية الرقمية في الوقت الحقيقي
  • درجة حرارة تشغيل الهيكل: قياسية: من 0 إلى +70 درجة مئوية

التطبيقات

  • قناة ألياف 4.25/8.5/16 جيجا
  • روابط بصرية أخرى

SFP+ 16G FC DWDM 40KM

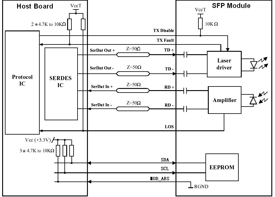
مخطط وظيفي لجهاز الإرسال والاستقبال

أعلى التقييمات المطلقة

المعلمة رمز مين الأعلى وحدة
جهد التغذية Vcc -0.5 4.5 V
درجة حرارة التخزين تس -40 +85 درجة مئوية
رطوبة التشغيل 5 85 %

ظروف التشغيل الموصى بها

المعلمة رمز مين عادي الأعلى وحدة
درجة حرارة علبة التشغيل Tc 0 +70 درجة مئوية
جهد مصدر الطاقة Vcc 3.135 3.30 3.465 V
تيار مصدر الطاقة المحكمة الجنائية الدولية 550 مللي أمبير
معدل نقل البيانات 4.25 16 جيجابت في الثانية

الخصائص البصرية والكهربائية

SFP+ 16G FC DWDM 40KM

ملحوظات:

1. يتم إطلاق الطاقة الضوئية في الألياف أحادية النمط.

2. مدخل PECL، موصول داخليًا بتيار متردد ومنتهي.

3. تم القياس باستخدام PRBS 2 31 نمط اختبار -1 بسرعة 16000 ميجابت في الثانية، معدل خطأ البت ≤1×10 -12 .

4. موصول داخلياً بتيار متردد.

التوقيت والكهرباء

SFP+ 16G FC DWDM 40KM

التشخيص عن بعد

16G FC DWDM SFP+ Transceiver

خريطة الذاكرة التشخيصية الرقمية

توفر أجهزة الإرسال والاستقبال محتويات ذاكرة المعرف التسلسلي ومعلومات التشخيص حول ظروف التشغيل الحالية من خلال واجهة تسلسلية ثنائية الأسلاك (SCL، SDA).

يتم تنفيذ جميع المعلومات التشخيصية مع المعايرة الداخلية أو المعايرة الخارجية، بما في ذلك مراقبة الطاقة المستلمة، ومراقبة الطاقة المرسلة، ومراقبة تيار الانحياز، ومراقبة جهد الإمداد، ومراقبة درجة الحرارة.

يتم تعريف حقل البيانات الخاص بخريطة الذاكرة التشخيصية الرقمية على النحو التالي.

16G FC DWDM SFP+ Transceiver

وصف الدبابيس

16G FC DWDM SFP+ Transceiver

SFP+ 40KM DWDM Transceiver

ملحوظات:

تسلسل التوصيل: تسلسل تعشيق الدبابيس أثناء التوصيل السريع.

1) عطل الإرسال (TX Fault) هو خرج ذو مجمع مفتوح، ويجب رفع جهده باستخدام مقاومة تتراوح قيمتها بين 4.7 كيلو أوم و10 كيلو أوم على اللوحة الرئيسية إلى جهد يتراوح بين 2.0 فولت وVcc+0.3 فولت. يشير المنطق 0 إلى التشغيل الطبيعي، بينما يشير المنطق 1 إلى وجود عطل ما في الليزر. في حالة الانخفاض، سينخفض جهد الخرج إلى أقل من 0.8 فولت.

2) يتم تعطيل خرج الليزر عند TDIS >2.0V أو مفتوح، ويتم تمكينه عند TDIS <0.8V.

3) مخرج LOS هو مخرج ذو مجمع مفتوح. يجب توصيله بمقاومة سحب تتراوح بين 4.7 كيلو أوم و10 كيلو أوم على اللوحة الرئيسية، ليصل الجهد إلى ما بين 2.0 فولت و3.6 فولت. يشير المنطق 0 إلى التشغيل الطبيعي، بينما يشير المنطق 1 إلى فقدان الإشارة.

4) RD-/+: هذه هي مخارج جهاز الاستقبال التفاضلية. وهي عبارة عن خطوط تفاضلية داخلية موصولة بتيار متردد، ويجب إنهاؤها بمقاومة 100 أوم (تفاضلية) عند منفذ SERDES الخاص بالمستخدم.

5) TD-/+: هذه هي مدخلات جهاز الإرسال التفاضلي. وهي عبارة عن خطوط تفاضلية مقترنة داخليًا بتيار متردد، مع إنهاء تفاضلي 100 أوم داخل الوحدة.

دائرة التوصيل الموصى بها

SFP+ 40KM DWDM Transceiver

الأبعاد الميكانيكية

16g DWDM 40km transceiver

معلومات الطلب

RSPD-16GD40-CXX XX: 100 جيجاهرتز طول موجة شبكة الاتحاد الدولي للاتصالات

16g DWDM 40km transceiver 16g DWDM 40km transceiver

هل تريد معرفة المزيد عن هذا المنتج؟

أرسل أ رسالة
ترك رسالة

إذا كنت مهتمًا بمنتجاتنا وترغب في معرفة المزيد من التفاصيل، فيرجى ترك رسالة هنا، وسنرد عليك في أقرب وقت ممكن.

المنتجات ذات الصلة
SFP+ 16G DWDM 20KM Transceiver جهاز إرسال واستقبال ضوئي SFP+ 16G C17-C61 DWDM 20KM DDM
ميزات المنتج يدعم معدلات نقل بيانات تصل إلى 14.025 جيجابت في الثانية مساحة توصيل SFP+ قابلة للتوصيل السريع ليزر EML مبرد بتردد 100 جيجاهرتز بتقنية DWDM في النطاق C من الاتحاد الدولي للاتصالات، وثنائي ضوئي PIN، يصل مداه إلى 20 كيلومترًا لنقل SMF متوافق مع معايير SFP+ MSA و SFF-8472 مع مقبس LC مزدوج متوافق مع توجيهات RoHS مصدر طاقة واحد +3.3 فولت المراقبة التشخيصية الرقمية في الوقت الحقيقي درجة حرارة تشغيل الجهاز: المعيار: من 0 إلى +70 درجة مئوية التطبيقات قناة ألياف 4.25/8.5/14.025 جيجا روابط بصرية أخرى
100G QSFP28 DWDM جهاز إرسال واستقبال مزدوج LC أحادي الموجة 100G QSFP28 DWDM PAM4
وحدة إرسال واستقبال ضوئية 100G QSFP28 DWDM، تدعم نظام DWDM 48*100Gb/s وما يصل إلى 80 كم من الإرسال على ألياف SM، وهي تعمل في حلول اتصال IDC عالية السرعة.
Optical Line Protection (OLP) حماية الخطوط الضوئية (OLP)
ميزات المنتج يدعم حماية الخطوط الضوئية لكل من الألياف أحادية النمط ومتعددة الأنماط يدعم أوضاع الحماية ثنائية الاتجاه للألياف المزدوجة وأحادية الاتجاه للألياف. يدعم أوضاع الحماية 1+1 (جهاز إرسال مزدوج وجهاز استقبال مزدوج) و 1:1 (اختيار جهاز الإرسال واختيار جهاز الاستقبال). نطاق واسع لمراقبة الطاقة الضوئية: من -50 ديسيبل إلى +25 ديسيبل. زمن تبديل الحماية للمسار البصري القصير: أقل من 20 مللي ثانية. يدعم التحكم المحلي والتحكم عن بعد. يدعم منصة إدارة الشبكة الموحدة القائمة على بروتوكول SNMP. يتضمن واجهة سطر الأوامر (telnet ووحدة التحكم)، والويب، وNetView (واجهة رسومية).
Splitter PLC 2X2 SC/APC Plug-in LGX Box موزع PLC 2X2 SC/APC قابل للتوصيل بصندوق LGX 215*150*20 مم
التطبيقات أنظمة FTTTx شبكات LAN و WAN وشبكات المترو الشبكات البصرية السلبية التناظرية/الرقمية شبكات الكابلات التلفزيونية تطبيقات أخرى في أنظمة الألياف الضوئية
16Channels 3CH WDM GPON XGS-PON And RF Video SC/ACP 1U Rack 16 قناة، 3 قنوات WDM GPON XGS-PON وفيديو RF SC/ACP، وحدة رف 1U، 440 × 230 × 44 مم
في خضم التحول الرقمي، بلغ الطلب على شبكات الاتصالات عالية السرعة والموثوقة والمرنة مستويات غير مسبوقة. وقد أصبحت شبكات الألياف الضوئية السلبية (PON) ركيزة أساسية للبنية التحتية الحديثة للاتصالات، حيث تدعم تطبيقات متنوعة بدءًا من النطاق العريض المنزلي وصولًا إلى شبكات المؤسسات. ولتلبية احتياجات النطاق الترددي المتزايدة وضمان جاهزية الشبكات للمستقبل، يوفر دمج تقنية 3CH WDM (تقسيم الطول الموجي لأربع قنوات) مع تقنيات GPON وXGS-PON وRF Video حلاً شاملاً، مما يزيد من استغلال الألياف الضوئية ويعزز قدرات تقديم الخدمات.
SFP+ 16G DWDM 20KM Transceiver جهاز إرسال واستقبال ضوئي SFP+ 16G C17-C61 DWDM 20KM DDM
ميزات المنتج يدعم معدلات نقل بيانات تصل إلى 14.025 جيجابت في الثانية مساحة توصيل SFP+ قابلة للتوصيل السريع ليزر EML مبرد بتردد 100 جيجاهرتز بتقنية DWDM في النطاق C من الاتحاد الدولي للاتصالات، وثنائي ضوئي PIN، يصل مداه إلى 20 كيلومترًا لنقل SMF متوافق مع معايير SFP+ MSA و SFF-8472 مع مقبس LC مزدوج متوافق مع توجيهات RoHS مصدر طاقة واحد +3.3 فولت المراقبة التشخيصية الرقمية في الوقت الحقيقي درجة حرارة تشغيل الجهاز: المعيار: من 0 إلى +70 درجة مئوية التطبيقات قناة ألياف 4.25/8.5/14.025 جيجا روابط بصرية أخرى
400G QSFP112 SR4 LPO جهاز إرسال واستقبال 400G QSFP112 SR4 LPO
سمات: جهاز إرسال واستقبال متعدد الأوضاع QSFP112 SR4 قابل للتوصيل السريع متوافق مع معيار QSFP112 MSA متوافق مع إصدار CMIS 4.0 وما فوق مصفوفة VCSEL متكاملة بتردد 850 نانومتر ومصفوفة PD بدون معالجة الإشارات الرقمية أو استعادة البيانات 4 قنوات من التعديل الكهربائي والبصري 100G-PAM4 مقابس MPO-12 APC أحادية  أقصى استهلاك للطاقة 2.8 واط مصدر طاقة واحد 3.3 فولت درجة حرارة تشغيل العلبة من 0 درجة مئوية إلى 70 درجة مئوية ليزر من الفئة 1  متوافق مع توجيهات RoHS
QSFP-DD-400G-LR8 PAM4 LWDM8 10km LC SMF FEC Optical Transceiver Module وحدة إرسال واستقبال ضوئية QSFP-DD-400G-LR8 PAM4 LWDM8 10km LC SMF FEC FEC
صُممت وحدة الإرسال والاستقبال الضوئية 400G QSFP-DD LR8 لدعم شبكة إيثرنت 400G لوصلات مراكز البيانات التي تصل إلى 10 كيلومترات عبر الألياف أحادية النمط مع تصحيح الأخطاء الأمامية (FEC). وهي متوافقة مع معيار IEEE 802.3bs 400GBASE-LR8. تدعم الوحدة ثمانية مسارات واجهة كهربائية تعمل بنمط تشفير PAM4 بسرعة 50G، مما يتيح معدلات نقل بيانات تصل إلى 400G (8x50G).
ترك رسالة
ترك رسالة
إذا كنت مهتمًا بمنتجاتنا وترغب في معرفة المزيد من التفاصيل، فيرجى ترك رسالة هنا، وسنرد عليك في أقرب وقت ممكن.

بيت

منتجات

عن

اتصال