جهاز إرسال واستقبال QSFP112 400G BASE-SR4 بتردد 850 نانومتر ومدى 100 متر

جهاز إرسال واستقبال QSFP112 400G BASE-SR4 بتردد 850 نانومتر ومدى 100 متر

صُمم جهاز الإرسال والاستقبال 400G QSFP112 SR4 لنقل واستقبال البيانات عبر وصلات ضوئية تسلسلية بسرعة تصل إلى 106.25 جيجابت/ثانية (لكل قناة) باستخدام تقنية تعديل PAM4 عبر ألياف متعددة الأنماط. وهو وحدة إرسال واستقبال صغيرة الحجم قابلة للتوصيل أثناء التشغيل، مزودة بنسبة إخماد ضوئي مدمجة تبلغ 2.5 ديسيبل، بالإضافة إلى مُرسل إشارة عالي الأداء. وهو متوافق مع مواصفات إيثرنت 400G وQSFP112 MSA.

فئات
  • تفاصيل المنتج

جهاز إرسال واستقبال QSFP112 400G BASE-SR4 بتردد 850 نانومتر ومدى 100 متر

طلب

  • إيثرنت 400GBASE-SR4
  • توصيلات المحول والموجه
  • مراكز البيانات
  • متطلبات الربط البيني الأخرى بسرعة 400 جيجابت في الثانية

سمات

  • معدل نقل البيانات 106.25 جيجابت في الثانية (PAM4) لكل قناة
  • موصل MPO-12 APC
  • مصفوفة VCSEL من نوع PAM4 بسرعة 100 جيجابت/ثانية
  • مصدر طاقة واحد +3.3 فولت
  • تم تنفيذ وظيفة DDM
  • عامل الشكل QSFP112 القابل للتوصيل السريع
  • أقصى طول للوصلة 100 متر على OM4/0M5 (MMF)
  • نطاق درجة حرارة التشغيل: 0~+70 درجة مئوية
  • أقصى استهلاك للطاقة 10 واط
  • ليزر من الفئة 1
  • متوافق مع توجيهات RoHS 6.0

مواصفة

المعلمة رمز وحدة مين النوع الأعلى ملحوظات
جهاز الإرسال (لكل حارة)
سرعة الإشارة لكل حارة GBd 53.125±100 مساءً
تنسيق التعديل PAM4
الطول الموجي المركزي نانومتر 844 850 863
عرض الطيف RMS نظام إدارة الموارد ديسيبل 0.6
متوسط قوة الإطلاق لكل مسار TXPx ديسيبل ميلي واط -4.6 4
سعة التعديل البصري الخارجي لكل مسار أوماوتر ديسيبل ميلي واط -2.6 3.5
انحراف جهاز الإرسال، كل حارة DPx ديسيبل 2.3

عقوبة الإرسال والتشتت: إغلاق العين لنظام PAM4، لكل حارة

TDECQ ديسيبل 4.4

متوسط قوة الإطلاق عند إيقاف تشغيل جهاز الإرسال، لكل مسار

ديسيبل ميلي واط -30
زمن انتقال جهاز الإرسال Tr، Tf ملاحظة: 17
نسبة الانقراض البصري غرفة الطوارئ ديسيبل 2.5
RIN 12 أوما ديسيبل/هرتز -132
تحمل فقدان العودة البصرية ديسيبل 12
التدفق المحاط ≥86% عند 19 مم، ≤30% عند 4.5 مم

المعلمة رمز وحدة مين النوع الأعلى ملحوظات
جهاز الاستقبال (لكل حارة)
سرعة الإشارة لكل حارة GBd 53.125±100 مساءً
تنسيق التعديل PAM4
طول موجة التشغيل المدخلة نانومتر 842 948
عتبة الضرر لكل حارة DT ديسيبل ميلي واط 5
متوسط الطاقة المستلمة لكل حارة RXPx ديسيبل ميلي واط -6.4 4
استلام الطاقة لكل حارة أوماوتر ديسيبل ميلي واط 3.5
انعكاس جهاز الاستقبال Rfl -12

حساسية جهاز الاستقبال (OMAouter)، لكل مسار

ديسيبل ميلي واط -4.6
الحساسية الناتجة عن الإجهاد (OMAouter) 5 ديسيبل ميلي واط -2

معدل الخطأ في البتات = 2.4 × 10⁻⁴، TDECQ = 4.4

معلومات الطلب

رقم القطعة تحديد طلب
طَرد معدل البيانات الليزر القدرة الضوئية كاشف حساسية درجة حرارة يصل آحرون

RQ112-400G-SR4

QSFP112 400 غرام VCSEL -4.6~4 ديسيبل ميلي واط دبوس <-4.6 ديسيبل ميلي واط @OMA 0~70 درجة مئوية 100 مليون RoHS

قاعدة 400G SR4

أعلى التقييمات المطلقة

المعلمة رمز وحدة مين الأعلى
نطاق درجة حرارة التخزين تس درجة مئوية -40 +85
الرطوبة النسبية RH % 5 95
جهد مصدر الطاقة Vcc V -0.5 +4.0

ظروف التشغيل الموصى بها

المعلمة رمز وحدة مين النوع الأعلى
نطاق درجة حرارة علبة التشغيل Tc درجة مئوية 0 / 70
جهد مصدر الطاقة Vcc V 3.135 3.3 3.465

واجهة بصرية

QSFP112 400G BASE-SR4 Transceiver الشكل 1: تسلسل المسارات الضوئية

مخطط المبدأ

QSFP112 400G BASE-SR4 Transceiver الشكل 2: مخطط مبدأ الوحدة

تعريف المنافذ الكهربائية

المعلمة رمز وحدة مين النوع الأعلى ملحوظات
جهد التغذية VCC V 3.14 3.47
التيار الكهربائي المحكمة الجنائية الدولية مللي أمبير 3000
وقت تهيئة جهاز الإرسال والاستقبال عند التشغيل آنسة 2000
جهاز الإرسال
معدل إشارات PAM4 لكل مسار BR GBd 53.125 PAM4
تحمل جهد الإدخال أحادي الطرف فينت V -0.3 4.0
تأرجح إدخال البيانات التفاضلية رقم تعريف المركبة mVp-p 880
الضوضاء ذات الوضع المشترك (RMS) ملي فولت 17.5

عدم تطابق مقاومة الإنهاء التفاضلي التفاضلي

% 10

المتلقي

معدل إشارات PAM4 لكل مسار

GBd 53.125

جهد خرج أحادي الطرف

VoutR V 0.45

تأرجح خرج البيانات التفاضلية

Vout,PP mVp-p 900

الضوضاء ذات الوضع المشترك (RMS)

ملي فولت 17.5

عدم تطابق مقاومة الإنهاء التفاضلي التفاضلي

% 10

الاتصالات IIC

تردد ساعة IIC (الوضع السريع)

ميجاهرتز 1

تمديد الساعة

نحن 500

مدة الاحتفاظ بالبيانات

ns 300

QSFP112 400G Transceiver

الشكل 3: تفاصيل توصيلات الدبابيس الكهربائية

وصف الدبابيس

رقم التعريف الشخصي منطق رمز وصف ملحوظة
1 أرضي أرضي 1
2 سرطان الدم النخاعي المزمن من النوع الأول Tx2n إدخال البيانات المعكوسة لجهاز الإرسال
3 سرطان الدم النخاعي المزمن من النوع الأول Tx2p مخرج بيانات غير معكوس من جهاز الإرسال
4 أرضي أرضي 1
5 سرطان الدم النخاعي المزمن من النوع الأول Tx4n إدخال البيانات المعكوسة لجهاز الإرسال
6 سرطان الدم النخاعي المزمن من النوع الأول Tx4p مخرج بيانات غير معكوس من جهاز الإرسال
7 أرضي أرضي 1
8 LVTTL-I مودسيل يختار
9 LVTTL-I إعادة الضبط إعادة ضبط
10 VccRx مستقبل مزود الطاقة +3.3 فولت 2
11 LVCOMS-I/O SCL ساعة واجهة تسلسلية ثنائية الأسلاك
12 LVCOMS-I/O السبتيين بيانات واجهة التسلسل ثنائية الأسلاك
13 أرضي أرضي 1
14 CML-0 Rx3p مخرج بيانات غير معكوس لجهاز الاستقبال
15 CML-0 Rx3n مخرج بيانات معكوسة من جهاز الاستقبال
16 أرضي أرضي 1
17 CML-0 Rx1p مخرج بيانات غير معكوس لجهاز الاستقبال
18 CML-0 Rx1n مخرج بيانات معكوسة من جهاز الاستقبال
19 أرضي أرضي 1
20 أرضي أرضي 1
21 CML-0 Rx2n مخرج بيانات معكوسة من جهاز الاستقبال
22 CML-0 Rx2p مخرج بيانات غير معكوس لجهاز الاستقبال
23 أرضي أرضي 1
24 CML-0 Rx4n مخرج بيانات معكوسة من جهاز الاستقبال
25 CML-0 Rx4p مخرج بيانات غير معكوس لجهاز الاستقبال
26 أرضي أرضي 1
27 LVTTL-0 ModPrsL حاضر
28 LVTTL-0 IntL/RxLOS مقاطعة/اختياري RxLOS
29 VccTx جهاز إرسال مزود بمصدر طاقة +3.3 فولت 2
30 Vcc1 مزود طاقة +3.3 فولت 2
31 LVTTL-I وضع LPMode/TxDis وضع الطاقة المنخفضة / تعطيل الإرسال الاختياري
32 أرضي أرضي 1
33 سرطان الدم النخاعي المزمن من النوع الأول Tx3p إدخال البيانات المعكوسة لجهاز الإرسال
34 سرطان الدم النخاعي المزمن من النوع الأول Tx3n مخرج بيانات غير معكوس من جهاز الإرسال
35 أرضي أرضي 1
36 سرطان الدم النخاعي المزمن من النوع الأول Tx1p إدخال البيانات المعكوسة لجهاز الإرسال
37 سرطان الدم النخاعي المزمن من النوع الأول Tx1n مخرج بيانات غير معكوس من جهاز الإرسال
38 أرضي أرضي 1
39 أرضي أرضي 1
40 سرطان الدم النخاعي المزمن من النوع الأول Tx6n إدخال البيانات المعكوسة لجهاز الإرسال
41 سرطان الدم النخاعي المزمن من النوع الأول Tx6p مخرج بيانات غير معكوس من جهاز الإرسال
42 أرضي أرضي 1
43 سرطان الدم النخاعي المزمن من النوع الأول Tx8n إدخال البيانات المعكوسة لجهاز الإرسال
44 سرطان الدم النخاعي المزمن من النوع الأول Tx8p مخرج بيانات غير معكوس من جهاز الإرسال
45 أرضي أرضي 1
46 محجوز للاستخدام المستقبلي 3
47 VS1 خاص بمورد الوحدة 1 3
48 VccRx1 مستقبل مزود الطاقة +3.3 فولت 2
49 VS2 خاص بمورد الوحدة 2 3
50 VS3 خاص بمورد الوحدة 3 3
51 أرضي أرضي 1

ملحوظات:

١. GND هو رمز الإشارة ومصدر الطاقة (التغذية) المشترك لوحدة QSFP112. جميعها مشتركة داخل وحدة QSFP112، وتُنسب جميع الفولتيات إلى هذا الجهد ما لم يُذكر خلاف ذلك. قم بتوصيلها مباشرةً بلوحة المضيف - مستوى الأرض المشترك للإشارة. ٢. Vcc Rx وVcc1 وVcc Tx هي مصادر طاقة جهاز الاستقبال وجهاز الإرسال، ويجب تطبيقها في آنٍ واحد. المتطلبات المحددة لجانب المضيف من موصل بطاقة حافة المضيف مُدرجة في الجدول ٤. يُوضح الشكل ٤ ترشيح مصدر طاقة لوحة المضيف المُوصى به. يمكن توصيل Vcc Rx وVcc1 وVcc Tx داخليًا داخل وحدة QSFP112 بأي تركيبة. كل دبوس من دبابيس الموصل مُصنف لتيار أقصى قدره ١.٥ أمبير (يلزم تيار أقصى قدره ٢.٠ أمبير لوحدات الطاقة العالية التي تتراوح قدرتها بين ١٥ و٢٠ واط).

خريطة ذاكرة الوحدة

QSFP112 400G Transceiver QSFP112 400G Transceiver

الشكل 4: خريطة ذاكرة التشخيص الرقمي

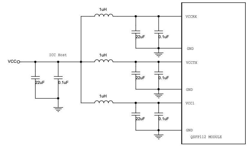
ترشيح مصدر الطاقة للوحة المضيفة

يُحتسب أي انخفاض في الجهد عبر شبكة الترشيح على المضيف ضمن دقة نقطة ضبط التيار المستمر للمضيف. يُنصح باستخدام محاثات ذات مقاومة تيار مستمر أقل من 0.1 أوم للحفاظ على الجهد المطلوب عند موصل بطاقة حافة المضيف. يوضح الشكل 5 واجهة جهاز الإرسال والاستقبال/المضيف المقترحة.

QSFP112 400G BASE-SR4

الشكل 5: ترشيح مصدر الطاقة الموصى به للوحة المضيفة

مخطط الحزمة

QSFP112 400G BASE-SR4

هل تريد معرفة المزيد عن هذا المنتج؟

أرسل أ رسالة
ترك رسالة

إذا كنت مهتمًا بمنتجاتنا وترغب في معرفة المزيد من التفاصيل، فيرجى ترك رسالة هنا، وسنرد عليك في أقرب وقت ممكن.

المنتجات ذات الصلة
400G QSFP28 DR4 جهاز إرسال واستقبال ضوئي 400G QSFP-DD DR4 PAM4 1310nm 500M MPO
وحدة الإرسال والاستقبال الضوئية 400G QSFP-DD DR4، تدعم سرعة نقل تصل إلى 400 جيجابت/ثانية وما يصل إلى 500 متر على الألياف أحادية النمط، وتعمل في حلول اتصال IDC عالية السرعة.
400G QSFP28 SR8 جهاز إرسال واستقبال ضوئي 400G QSFP-DD SR8 850nm MPO 100M
وحدة الإرسال والاستقبال الضوئية 400G QSFP-DD SR8، تدعم سرعة نقل تصل إلى 400 جيجابت/ثانية وما يصل إلى 100 متر على الألياف متعددة الأنماط، وتعمل في حلول اتصال IDC عالية السرعة.
400G QSFP28 SR8 جهاز إرسال واستقبال ضوئي 400G QSFP-DD LR4 بمدى 10 كيلومترات
وحدة الإرسال والاستقبال الضوئية 400G QSFP-DD LR4، تدعم سرعة نقل تصل إلى 400 جيجابت/ثانية ولمسافة تصل إلى 10 كيلومترات على الألياف أحادية النمط، وتعمل في حلول اتصال IDC عالية السرعة. سمات متوافق مع معيار QSFP-DD MSA متوافق مع مواصفات 100G Lambda MSA 400G-LR4 متوافق مع معيار CMIS5.0 متوافق مع معيار IEEE 802.3bs واجهة كهربائية 8x53.125 جيجابت/ثانية (400GAUI-8) ليزر EML مبرد بطول موجة CWDM إمكانية نقل البيانات لمسافة تصل إلى 10 كيلومترات عبر الألياف أحادية النمط (SMF) مع تصحيح الأخطاء الأمامية (FEC). مصدر طاقة واحد +3.3 فولت نطاق درجة حرارة الهيكل: من 0 إلى +70 درجة مئوية أقصى استهلاك للطاقة 12 واط موصل LC مزدوج امتثالاً لتوجيهات RoHS التطبيقات إيثرنت 400G BASE-LR4 ربط مراكز البيانات شبكات المؤسسات
400G CFP2 Optical Transceiver Module وحدة إرسال واستقبال ضوئية 400G CFP2 DCO
وحدة إرسال واستقبال ضوئية 400G CFP2 يستخدم على اللوحة الأم للنظام يصل مداها إلى 2000 كيلومتر في تطبيق MAN DWDM
OSFP 400G SR4 جهاز إرسال واستقبال ضوئي 400G OSFP SR4 MM MPO12 IB
سمات واجهة بصرية تسلسلية OSFP واجهة كهربائية 400GAUI-4 مُعاد توقيتها PAM4 بسرعة 4x100G كابل بصري نشط مصفوفات VCSEL رباعية القنوات ومصفوفات كاشف ضوئي PIN رباعية القنوات أقصى طول للوصلة 60 مترًا على OM3 أو 100 متر على OM4 متوافق مع معايير OSFP MSA عامل شكل OSFP قابل للتوصيل السريع متوافق مع مواصفات وحدة OSFP الإصدار 5.0 متوافق مع معيار CMIS 5.2 بروتوكول الدعم متوافق مع معيار IEEE 802.3db متوافق مع معيار IEEE 802.3ck استهلاك منخفض للطاقة أقل من 8 واط في نطاق درجة حرارة من 0 إلى 70 درجة مئوية التطبيقات 400GBASE-SR4 إيثرنت 400G مركز البيانات
OSFP 400G DR4 جهاز إرسال واستقبال ضوئي 400G OSFP DR4 SM MPO12 IB
سمات عامل الشكل: عامل شكل OSFP قابل للتوصيل السريع معدل نقل البيانات: معدل نقل بيانات إجمالي يبلغ 425 جيجابت/ثانية ومعدل نقل بيانات فرعي يبلغ 106.25 جيجابت/ثانية واجهة بصرية: متوافقة مع معيار 400GBASE-DR4 ومعيار 4x100GBASE-DR جهاز الإرسال: جهاز إرسال EML بطول موجي 1310 نانومتر الواجهة الكهربائية: متوافقة مع معيار 400GAUI-4 ومعيار 4x100GAUI-1 جهاز الاستقبال: مصفوفة PIN وTIA على جانب جهاز الاستقبال واجهة الإدارة: واجهة إدارة I2C المدى: يصل إلى 500 متر عبر ألياف أحادية الوضع MPO-12/APC استهلاك الطاقة: 9 واط كحد أقصى درجة حرارة تشغيل الجهاز: من 0 إلى 70 درجة مئوية مصدر الطاقة: مصدر طاقة واحد 3.3 فولت امتثال عامل الشكل: OSFP MSA بصري: IEEE802.3bs، كهربائي: IEEE802.3ck، البرامج الثابتة: CMIS البيئة: RoHS الثبات: GR-468-CORE التطبيقات إيثرنت بسرعة 400 جيجابت/ثانية مركز البيانات إنفيني باند
400G QSFP-DD FR4 جهاز إرسال واستقبال ضوئي 400G QSFP-DD FR4 2KM
التطبيقات إيثرنت 400G BASE-FR4 ربط مراكز البيانات الربط البيني بتقنية إنفينيباند شبكات المؤسسات سمات متوافق مع معيار QSFP-DD MSA تصميم مُضاعِف/مُزيل مُضاعِف 4 مسارات CWDM 100G Lambda MSA 400G-FR4 متوافق مع المواصفات أقصى استهلاك للطاقة 10 واط
QSFP-DD 400G EDR4 جهاز إرسال واستقبال ضوئي 400G QSFP-DD EDR4 SM MPO12 بمدى 2 كم
سمات متوافق مع مواصفات IEEE 802.3bs متوافق مع معيار QSFP-DD MSA واجهة بصرية PAM4 بسرعة 4x106.25 جيجابت في الثانية واجهة كهربائية PAM4 بسرعة 8 × 53.125 جيجابت في الثانية واجهة I2C مع DDM مدمج مسافة نقل تصل إلى 2 كم على الألياف أحادية النمط (SMF) مع تصحيح الأخطاء الأمامية (FEC) جهد التشغيل: 3.3 فولت أقصى استهلاك للطاقة: 12 واط موصل MTP/MPO-12 درجة حرارة تشغيل الهيكل: من 0 إلى 70 درجة مئوية متوافق مع توجيهات RoHS التطبيقات إيثرنت 400 جيجابت شبكات مراكز البيانات المؤسسية
ترك رسالة
ترك رسالة
إذا كنت مهتمًا بمنتجاتنا وترغب في معرفة المزيد من التفاصيل، فيرجى ترك رسالة هنا، وسنرد عليك في أقرب وقت ممكن.

بيت

منتجات

عن

اتصال