كاشف عالي السرعة مع خاصية التضخيم

استجابةً لطلب العملاء المحليين على أجهزة الكشف عالية السرعة المزودة بتقنية التضخيم، أطلقت شركة Fiberwdm منتجًا بنطاق ترددي يتجاوز 20 جيجاهرتز. تتميز هذه السلسلة من أجهزة الكشف عالية السرعة بتقنية تضخيم مدمجة ومستوى ضوضاء منخفض للغاية. يمكن استخدامها في أنظمة الاتصالات عالية السرعة واختبار أنظمة الليزر الفيمتوثانية، مما يجعلها منتجًا فعالًا من حيث التكلفة وقابلًا للتخصيص بالكامل. وقد طورت Fiberwdm بشكل مستقل وحدة تزويد طاقة خطية، تلبي احتياجات أجهزة الكشف عالية السرعة في تطبيقات البحث العلمي.

فئات
  • تفاصيل المنتج

كاشف عالي السرعة مع خاصية التضخيم

معايير الأداء

نموذج

RD4020

نطاق الطول الموجي

1000 نانومتر - 1650 نانومتر

عرض نطاق القطع 3 ديسيبل

20 جيجاهرتز

مكاسب التحويل

700 فولت/واط

القدرة الضوئية المشبعة

10 ميلي واط

زمن الصعود (10%~90%)

أقل من 20 بيكو ثانية

أقصى استجابة نموذجية

>0.7 أمبير/واط عند 1550 نانومتر

معامل انعكاس الخرج (S22)

أقل من -11 ديسيبل

تسطح السعة

<±2 ديسيبل

أقصى إنتاجية

0.5 فولت

القدرة القصوى للحادث

1 ميلي واط

مادة/نوع الكاشف

InGaAs/PIN

درجة حرارة التشغيل

-40 درجة مئوية ~ 85 درجة مئوية

المدخل البصري

FC/PC أو FC/APC

الناتج الكهربائي

SMA أو 2.92 مم

متطلبات مصدر الطاقة

+12 فولت / 100 مللي أمبير

الشكل 3-1 ملخص الأداء الكهربائي

ملحوظات:

لا تتجاوز 1 ميلي واط كحد أقصى لطاقة الإدخال الضوئية لجهاز الكشف الضوئي.

إذا كان المدخل عبارة عن ضوء تيار مستمر، فإن القدرة الضوئية التي يقيسها مقياس الطاقة تساوي الحد الأقصى للقدرة الضوئية.

إذا كان المدخل من أنواع أخرى من الضوء (مثل الضوء النبضي)، تُحسب القدرة الضوئية القصوى بقسمة متوسط القدرة الضوئية على دورة التشغيل. على سبيل المثال:

إذا كان متوسط القدرة الضوئية 1 ميلي واط ودورة التشغيل 0.1٪، فإن الحد الأقصى للقدرة الضوئية هو 1 واط.

إذا كانت الإشارة المدخلة عبارة عن موجة مربعة بنسبة تشغيل 50٪، فإن أقصى قدرة بصرية هي 2 ميلي واط.

إذا كنت غير متأكد من تأثير الطاقة الضوئية على الكاشف، يُنصح بإضافة مُخفِّف قبل دخول ضوء الليزر إلى الكاشف الضوئي. ابدأ بتقليل شدة الضوء، ثم راقب شكل الموجة على راسم الإشارة، وقم بزيادة الطاقة الضوئية تدريجيًا. الوضع الأمثل هو ألا يتجاوز سعة الإشارة المعروضة على راسم الإشارة 500 ملي فولت ذروة إلى ذروة.

High-speed detector with amplification

الشكل 3-2 منحنى استجابة النبضة RD4020

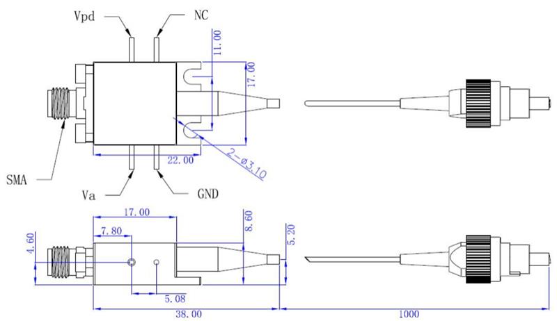
رسم الأبعاد الميكانيكية لكاشف عالي السرعة

High-speed detector with amplification

الشكل 4-1: مخطط الأبعاد الميكانيكية لوحدة الكاشف عالي السرعة

High-speed detector with amplification

الشكل 4-2: الأبعاد الميكانيكية لـ PD عالي السرعة

هل تريد معرفة المزيد عن هذا المنتج؟

أرسل أ رسالة
ترك رسالة

إذا كنت مهتمًا بمنتجاتنا وترغب في معرفة المزيد من التفاصيل، فيرجى ترك رسالة هنا، وسنرد عليك في أقرب وقت ممكن.

المنتجات ذات الصلة
High-Speed Detectors أجهزة الكشف عالية السرعة HSPD4018 و HSPD4040
استجابةً لطلب العملاء المحليين على منتجات كاشفات ضوئية عالية السرعة ومُصممة خصيصًا لتلبية احتياجاتهم، طورت شركة Fiberwdm منتجين من هذه الكاشفات بنطاقي تردد يتجاوزان 18 و40 جيجاهرتز، وذلك بعد عامين تقريبًا من البحث والتطوير والتحسين. يتميز كاشف 18 جيجاهرتز بزمن صعود أقل من 20 بيكو ثانية، بينما يتميز كاشف 40 جيجاهرتز بزمن صعود أقل من 8.5 بيكو ثانية. ولا تقل حساسيتهما عن حساسية المنتجات المستوردة المماثلة من شركات مثل Finisar وThorlabs، كما أن تذبذب الذيل مُتحكم به بشكل ممتاز. لا تتضمن هذه السلسلة من أجهزة الكشف عالية السرعة مضخم مقاومة التحويل (TIA)، وتتميز بمستوى ضوضاء منخفض للغاية. يمكن استخدامها لاختبار أنظمة الاتصالات عالية السرعة وأنظمة ليزر الفيمتو ثانية، وهي منتج فعال من حيث التكلفة ومحدد الموقع بالكامل. يمكن لمصدر الطاقة الخطي الذي طورته شركة Fiberwdm بشكل مستقل أن يلبي بشكل كامل متطلبات أجهزة الكشف عالية السرعة في تطبيقات البحث العلمي.
40G High Speed InGaAs Photodetector كاشف ضوئي عالي السرعة من نوع InGaAs 40G
صُممت وحدة الكشف عالية السرعة HSPD4040 للتطبيقات الرقمية والتناظرية على حد سواء. تحتوي الوحدة على ثنائي ضوئي من نوع InGaAs PIN، يغطي نطاق أطوال موجاته من 1250 إلى 1650 نانومتر، بالإضافة إلى الإلكترونيات اللازمة للمطابقة. توفر وحدة HSPD4040 نطاق تردد يصل إلى 40 جيجاهرتز. تعمل الوحدة بجهد +5 فولت، وتتوافق مع مدخل ألياف ضوئية أحادي النمط قياسي 9/125 ميكرومتر. منفذ خرج الترددات اللاسلكية عبارة عن موصل 2.92 مم بمقاومة 50 أوم. وحدة HSPD4040 محكمة الإغلاق، ووزنها أقل من 20 جرامًا. حاصلة على شهادة RoHS 2.0.
1310nm 100G QSFP28 ER1,Duplex LC 100G QSFP28 ER1 وحدة إرسال واستقبال QSFP28-100G-ER1 بسرعة 100 جيجابت في الثانية، أحادية النطاق، بتردد 1310 نانومتر، ومدى يصل إلى 40 كيلومتر، بتقنية PAM4 LC SMF DDM
صُممت وحدات الإرسال والاستقبال الضوئية QSFP28 ER1 بسرعة 100 جيجابت في الثانية لدعم شبكة إيثرنت بسرعة 100 جيجابت في الثانية، وهي مناسبة لوصلات مراكز البيانات التي يصل طولها إلى 40 كيلومترًا عبر الألياف أحادية النمط. تتوافق وحدة QSFP28 ER1 بسرعة 100 جيجابت في الثانية مع مواصفات 100G-ER1-40 الخاصة باتفاقية 100G Lambda MSA. يقوم طرف الإرسال بتحويل 4 إشارات كهربائية NRZ بسرعة 25 جيجابت في الثانية إلى إشارة ضوئية PAM4 بسرعة 100 جيجابت في الثانية. أما طرف الاستقبال العكسي فيقوم بتحويل إشارة ضوئية PAM4 بسرعة 100 جيجابت في الثانية إلى 4 إشارات كهربائية NRZ بسرعة 25 جيجابت في الثانية.
400G QSFP-DD to 4x 100G SFP-DD DAC cable محول رقمي تناظري (DAC) من 400G QSFP-DD إلى 4x 100G SFP-DD
الميزات وحدة QSFP-DD متوافقة مع معيار QSFP-DD MSA وحدة SFP-DD متوافقة مع معيار SFP-DD MSA معدل نقل البيانات يصل إلى 53.125 جيجابت في الثانية لكل قناة تفعيل نقل البيانات بسرعة 400 جيجابت/ثانية إلى 4 × 100 جيجابت/ثانية طول الوصلة يصل إلى 3 أمتار وظائف EEPROM مدمجة درجة حرارة تشغيل العلبة من 0 درجة مئوية إلى +70 درجة مئوية متوافق مع RoHS 2.0
2Channels*200G CFP2 To 2*100G QSFP28 Muxponder Card بطاقة مُضاعِف إشارات CFP2 ثنائية القنوات بسرعة 200 جيجابت/ثانية إلى QSFP28 ثنائية القنوات بسرعة 100 جيجابت/ثانية
ميزات المنتج: u يدعم نقل البيانات بتقنية DWDM وتحويل الطول الموجي. u تدعم اللوحة الواحدة 4 قنوات للوصول إلى الخدمة ثنائية الاتجاه بسرعة 100 جيجابت في الثانية. u يدعم جانب الخط وحدتين بصريتين متماسكتين من نوع CFP2 DCO بسرعة 200 جيجابت في الثانية. u يدعم جانب العميل أنواعًا مختلفة من واجهات الوحدات النمطية: 100GBASE-SR4/CWDM4/LR4/PSM4. u يدعم وظيفة إيقاف تشغيل الليزر التلقائي (ALS). u يدعم مراقبة إشارات DDM (المراقبة التشخيصية الرقمية). u يدعم وظائف SD-FEC و SC-FEC. u متوافق مع منصة إدارة الشبكة الموحدة القائمة على بروتوكول SNMP، مع واجهات إدارة تشمل واجهة سطر الأوامر (Telnet ووحدة التحكم) والويب وNetView (واجهة رسومية).
10G Media Converter محول وسائط 10 جيجا
هذا المنتج عبارة عن محول كهروضوئي عالي الأداء بسرعة 10 جيجابت في الثانية، يستخدم التحويل الكهروضوئي لتحقيق تضخيم متوازن للإشارات الضوئية، واستخلاص إشارة الساعة، وإعادة توليد الإشارة الضوئية. كما يعتمد تقنية WDM (DWDM/CWDM) التي تتيح نقل الإشارات الضوئية لمسافات طويلة عبر قناة واحدة أو أكثر على ليف ضوئي واحد. صُمم محول إيثرنت المصغر 10 جيجابت في الثانية من قبل شركتنا خصيصًا لشبكات البيانات الضخمة وشبكات النطاق العريض الرقمي عالية السرعة. ويُستخدم بشكل أساسي في ترقية وتوسيع شبكات النطاق العريض الرقمي للألياف الضوئية في المدن الكبرى، ونقل بيانات الخوادم ذات السعة الكبيرة. يوفر هذا المنتج تصميمًا عالي الجودة والموثوقية وعرض النطاق الترددي العالي والسعر المناسب، ليمنح المستخدمين عرض نطاق ترددي كافٍ وأداءً مستقرًا وحلول شبكات فعّالة.
10G Multimode 850nm Industrial-grade 10Pin Optical Module وحدة بصرية صناعية متعددة الأوضاع بسرعة 10 جيجابت/ثانية وطول موجي 850 نانومتر ذات 10 دبابيس
وصف الميزة تصميم هيكلي أكثر إحكامًا: ارتفاع الوحدة 12 مم فقط دبابيس إدخال/إخراج مثبتة على السطح مُحسَّنة لضمان سلامة الإشارة عالية السرعة غلاف معدني كامل نطاق واسع لدرجات الحرارة مع تصميم مضاد للاهتزاز مزود بوظيفة الكشف عن إشارة البيانات المستلمة يعمل حصريًا على مصدر طاقة واحد بجهد +3.3 فولت نوع واجهة LC أبعاد الدبابيس والتركيب متوافقة تمامًا مع منتجات ستراتوس
Splitter PLC 1X64 LC/APC 1U Rack مُقسِّم PLC 1X64 LC/APC، رف 1U، 440*200*44 مم
سمات: Compact design Low insertion loss and low PDL High reliability High channel counts Wide wavelength range Large operating temperature range Customized packaging and configuration
ترك رسالة
ترك رسالة
إذا كنت مهتمًا بمنتجاتنا وترغب في معرفة المزيد من التفاصيل، فيرجى ترك رسالة هنا، وسنرد عليك في أقرب وقت ممكن.

بيت

منتجات

عن

اتصال