جهاز إرسال واستقبال 100G QSFP28 DR1 1310nm LC SM 500M

جهاز إرسال واستقبال 100G QSFP28 DR1 1310nm LC SM 500M

سمات

  • معدل نقل بيانات يصل إلى 106.25 جيجابت في الثانية باستخدام تعديل PAM4
  • ليزر PAM4 EML 1x100G
  • واجهة بصرية لمقبس LC مزدوج
  • مصدر طاقة واحد +3.3 فولت
  • تم تنفيذ وظيفة DDM
  • عامل الشكل QSFP28 القابل للتوصيل السريع
  • أقصى طول للوصلة 500 متر على ألياف SMF
  • استهلاك منخفض للطاقة: أقل من 3.5 واط
  • معتمد دوليًا من الفئة الأولى في مجال السلامة من الليزر
  • نطاق درجة حرارة التشغيل: من 0 درجة مئوية إلى +70 درجة مئوية
  • متوافق مع توجيهات RoHS 6.0

التطبيقات

  • وصلات إيثرنت بسرعة 100 جيجابت في الثانية
  • توصيلات المحول والموجه
  • مراكز البيانات

المعايير

  • IEEE 802.3bm
  • IEEE 802.3cd
  • 100G Lambda MSA
  • QSFP MSA
  • SFF-8636
فئات
  • تفاصيل المنتج

RQ-100G-DR1

100G QSFP28 DR1 1310nm LC SM 500M

100G QSFP28 DR1 1310nm LC SM 500M

تم تصميم جهاز الإرسال والاستقبال 100G QSFP28 DR1 لإرسال واستقبال روابط البيانات الضوئية التسلسلية بمعدل بيانات يصل إلى 106.25 جيجابت/ثانية بتنسيق تعديل PAM4 عبر ألياف أحادية الوضع. وهو وحدة إرسال واستقبال صغيرة الحجم قابلة للتوصيل السريع مدمجة مع ليزر EML. وهو متوافق مع معيار 100G Lambda MSA؛ QSFP MSA

سجل الوثائق

الإصدار والحالة

التاريخ

وصف التغيير

مُعدِّل

1.0

2021-12-10

مسودة

XY

المواصفات

(تم اختباره في ظل ظروف التشغيل الموصى بها، ما لم يُذكر خلاف ذلك)

المعلمة

الرمز

الوحدة

الحد الأدنى

النوع

الحد الأقصى

ملاحظات

جهاز الإرسال (لكل حارة)

سرعة الإشارة لكل حارة

جيجا بود

53.125±100 بيكومتر

نمط التضمين

PAM4

الطول الموجي المركزي

نانومتر

1304.5

1311

1317.5

نسبة كبح الوضع الجانبي

SMSR

ديسيبل

30

قدرة الخرج البصري

PAVG

ديسيبل ميلي واط

-2.9

4

سعة التعديل البصري الخارجي

OMAouter

ديسيبل ميلي واط

-0.8

4.2

قوة الإطلاق في OMAouter

ناقص TDECQ، لكل مسار (بالدقائق):

لنسبة الانقراض ≥ 5 ديسيبل

ديسيبل ميلي واط

-2.2

قوة الإطلاق في OMAouter

ناقص TDECQ، لكل مسار (بالدقائق):

لنسبة الانقراض < 5 ديسيبل

ديسيبل ميلي واط

-1.9

إغلاق عين عقوبة التشتت وجهاز الإرسال لـ PAM4

TDECQ

ديسيبل

3.4

متوسط قوة الإطلاق لجهاز الإرسال المطفأ

ديسيبل ميلي واط

-15

نسبة الانطفاء البصري

ER

ديسيبل

3.5

RIN17.1OMA

ديسيبل/هرتز

-136

تحمل فقدان العودة البصرية

ORL

ديسيبل

15.5

زمن انتقال جهاز الإرسال (الحد الأقصى)

ps

17

انعكاس جهاز الإرسال

ديسيبل

-26

جهاز الاستقبال (لكل حارة)

سرعة الإشارة لكل حارة

جيجا بود

53.125±100 بيكومتر

نمط التضمين

PAM4

طول موجة التشغيل المدخلة

نانومتر

1304.5

1311

1317.5

عتبة التلف

ديسيبل ميلي واط

5

متوسط طاقة الاستقبال لكل مسار

ديسيبل ميلي واط

-5.9

4

طاقة الاستقبال (OMAouter)

ديسيبل ميلي واط

4.2

انعكاس جهاز الاستقبال (الحد الأقصى)

ديسيبل ميلي واط

-26

حساسية جهاز الاستقبال تحت الضغط

(OMAouter)

ديسيبل ميلي واط

-1.9

الطلب معلومات الطلب

رقم القطعة

المواصفات

التطبيق

الحزمة

معدل البيانات

الليزر

القدرة الضوئية

الكاشف

الحساسية

درجة الحرارة

المدى

أخرى

RQ-100G-DR1

QSFP28

100 غرام

EML

-2.9~4 ديسيبل ميلي واط

PD

الحد الأقصى (-3.9، SEC Q-5.3) ديسيبل ميلي واط

0~70 درجة مئوية

500 متر

RoHS

إيثرنت 100 جيجابت

أقصى التقييمات المطلقة

المعلمة

الرمز

الوحدة

الحد الأدنى

الحد الأقصى

نطاق درجة حرارة التخزين

Ts

درجة مئوية

-40

+85

الرطوبة النسبية

الرطوبة النسبية

%

0

85

جهد مصدر الطاقة

Vcc

فولت

-0.3

+3.6

ظروف التشغيل الموصى بها

المعلمة

الرمز

الوحدة

الحد الأدنى

النوع

الحد الأقصى

نطاق درجة حرارة علبة التشغيل

Tc

درجة مئوية

0

/

70

جهد مصدر الطاقة

Vcc

فولت

3.135

3.3

3.465

معدل البت (لكل قناة)

معدل البت

جيجابت في الثانية

53.125

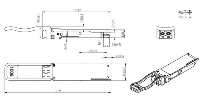
واجهة بصرية

الشكل 1. الواجهة البصرية

ملاحظة: الواجهة البصرية عبارة عن LC مزدوج.

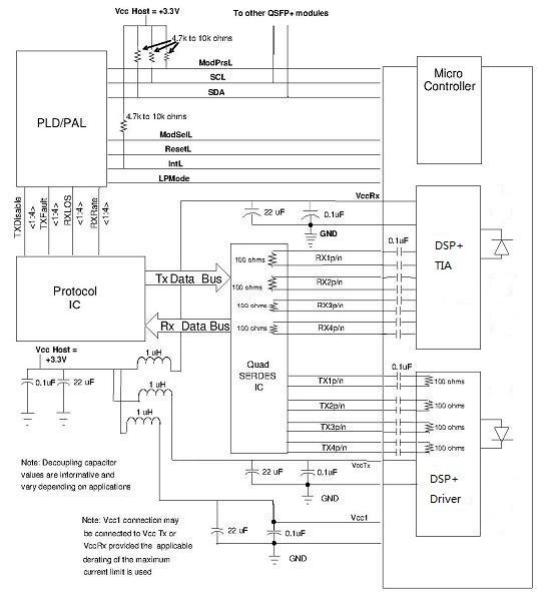
مخطط المبدأ

الشكل 2. مخطط مبدأ الوحدة

تعريف المنافذ الكهربائية

المعلمة

الرمز

الوحدة

الحد الأدنى

النوع

الحد الأقصى

ملاحظات

جهد التغذية

VCC

فولت

3.14

3.47

تيار التغذية

ICC

مللي أمبير

1100

جهاز الإرسال

معدل البيانات

معدل البت

جيجا بود

25.78125

NRZ

تعطيل الإرسال عالي

VDH

فولت

2

3.5

جهد الإدخال مرتفع

تعطيل الإرسال منخفض

VDL

فولت

-0.3

0.8

جهد الإدخال منخفض

TX_FAULT عالي [تأكيد]

VFH

فولت

2

3.5

جهد الخرج عالي

TX_FAULT منخفض [معكوس]

VFL

فولت

-0.3

0.8

جهد الخرج منخفض

جهاز الاستقبال

معدل البيانات

معدل البت

جيجا بود

25.78125

NRZ

تأرجح الخرج التفاضلي

VRXDIFF

mV

400

800

عند TP4

ارتفاع العين التفاضلي

المركبة

mV

228

جهد الخرج المنخفض مرتفع

VOH

فولت

2

3.5

جهد الخرج عالي

فقدان - انخفاض جهد الخرج

VOL

فولت

-0.3

0.8

جهد الخرج منخفض

وصف الدبوس

لا

رقم التعريف

التعريف

الوصف

ملاحظة

1

1

أرضي

أرضي

1

2

2

Tx2n

مدخل بيانات معكوس لجهاز الإرسال

3

3

Tx2p

مدخل بيانات غير معكوس لجهاز الإرسال

4

4

أرضي

أرضي

1

5

5

Tx4n

مدخل بيانات معكوس لجهاز الإرسال

6

6

Tx4p

مدخل بيانات غير معكوس لجهاز الإرسال

7

7

أرضي

أرضي

1

8

8

ModSelL

تحديد الوحدة

9

9

إعادة ضبط

إعادة ضبط الوحدة

10

10

VccRx

مستقبل مزود الطاقة +3.3 فولت

2

11

11

SCL

ساعة واجهة تسلسلية ثنائية الأسلاك

12

12

SDA

بيانات واجهة تسلسلية ثنائية الأسلاك

13

13

أرضي

أرضي

1

14

14

Rx3p

مخرج بيانات غير معكوس لجهاز الاستقبال

15

15

Rx3n

مخرج بيانات معكوس من جهاز الاستقبال

16

16

أرضي

أرضي

1

17

17

Rx1p

مخرج بيانات غير معكوس لجهاز الاستقبال

18

18

Rx1n

مخرج بيانات معكوس من جهاز الاستقبال

19

19

أرضي

أرضي

1

20

20

أرضي

أرضي

1

21

21

Rx2n

مخرج بيانات غير معكوس لجهاز الاستقبال

22

22

Rx2p

مخرج بيانات معكوس من جهاز الاستقبال

23

23

أرضي

أرضي

1

24

24

Rx4n

مخرج بيانات غير معكوس لجهاز الاستقبال

25

25

Rx4p

مخرج بيانات معكوس من جهاز الاستقبال

26

26

أرضي

أرضي

1

27

27

ModPrsL

عرض الوحدة

28

28

IntL

مقاطعة

29

29

VccTx

جهاز إرسال مزود الطاقة +3.3 فولت

2

30

30

Vcc1

مصدر طاقة +3.3 فولت

2

31

31

وضع الطاقة المنخفضة

وضع الطاقة المنخفضة

32

32

أرضي

أرضي

1

33

33

Tx3p

مدخل بيانات غير معكوس لجهاز الإرسال

34

34

Tx3n

مدخل بيانات معكوس لجهاز الإرسال

35

35

أرضي

أرضي

1

36

36

Tx1p

مدخل بيانات غير معكوس لجهاز الإرسال

37

37

Tx1n

مدخل بيانات معكوس لجهاز الإرسال

38

38

أرضي

أرضي

1

ملاحظات:

١. GND هو رمز الإشارة ومصدر الطاقة (التغذية) المشترك لوحدة QSFP28. جميعها مشتركة داخل الوحدة، وتُنسب جميع جهود الوحدة إلى هذا الجهد ما لم يُذكر خلاف ذلك. قم بتوصيلها مباشرةً بمستوى التأريض المشترك للإشارة على اللوحة المضيفة.

٢. تُعدّ VccRx وVcc1 وVccTx مصادر طاقة الاستقبال والإرسال، ويجب تطبيقها في آنٍ واحد. يوضح الشكل ٣ أدناه ترشيح مصدر طاقة اللوحة المضيفة الموصى به. يمكن أن تكون VccRx وVcc1 وVccTx داخلية.

يمكن توصيلها داخل الوحدة بأي تركيبة. كل دبوس من دبابيس الموصل مصمم لتحمل تيار أقصى قدره 1000 مللي أمبير.

الشكل 3. تفاصيل توصيلات الدبابيس الكهربائية

خريطة ذاكرة الوحدة

الشكل 4. خريطة ذاكرة التشخيص الرقمي

ترشيح مصدر طاقة اللوحة المضيفة

يتم احتساب أي انخفاض في الجهد عبر شبكة الترشيح على المضيف ضمن مجموعة التيار المستمر للمضيف

مواصفات دقة النقطة. يجب استخدام محاثات ذات مقاومة تيار مستمر أقل من 0.1 أوم للحفاظ على الجهد المطلوب عند موصل بطاقة الحافة المضيفة. الشكل يوضح واجهة جهاز الإرسال والاستقبال/المضيف المقترحة.

الشكل 5: ترشيح مصدر الطاقة الموصى به للوحة المضيف

مخطط العبوة

الشكل 6: مخطط العبوة

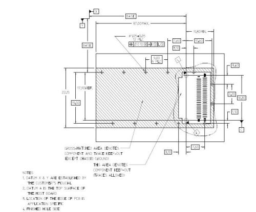
توصية بتصميم لوحة الدوائر المطبوعة

الشكل 7: توصية بتصميم لوحة الدوائر المطبوعة

هل تريد معرفة المزيد عن هذا المنتج؟

أرسل أ رسالة
ترك رسالة

إذا كنت مهتمًا بمنتجاتنا وترغب في معرفة المزيد من التفاصيل، فيرجى ترك رسالة هنا، وسنرد عليك في أقرب وقت ممكن.

المنتجات ذات الصلة
100G QSFP SR4 جهاز إرسال واستقبال ضوئي MPO بسرعة 100 جيجابت/ثانية من نوع QSFP28 SR4 بمدى 100 متر وتردد 850 نانومتر
جهاز إرسال واستقبال ضوئي MPO بسرعة 100 جيجابت/ثانية وطول يصل إلى 100 متر على ألياف MM، ويعمل في حلول اتصال IDC عالية السرعة وما إلى ذلك. سمات متوافق مع معيار IEEE 802.3bm متوافق مع معيار SFF-8665 معدل نقل البيانات يصل إلى 25.78125 جيجابت في الثانية، معدل البيانات لكل قناة تقنية VCSEL عالية الموثوقية بتردد 850 نانومتر قابل للتوصيل والتشغيل الكهربائي مصدر طاقة واحد +3.3 فولت نطاق درجة حرارة الهيكل: من 0 إلى +70 درجة مئوية أقصى استهلاك للطاقة 2.5 واط موصل MPO12 واحد امتثالاً لتوجيهات RoHS
100G QSFP28 CWDM4 جهاز إرسال واستقبال ضوئي LC بسرعة 100 جيجابت/ثانية من نوع QSFP28 CWDM4 بمدى 10 كيلومترات
وحدة الإرسال والاستقبال الضوئية 100G QSFP28 CWDM4، تدعم سرعة نقل تصل إلى 100 جيجابت/ثانية ولمسافة تصل إلى 10 كيلومترات على الألياف أحادية النمط، وتعمل في حلول اتصال IDC عالية السرعة، وما إلى ذلك.
100G QSFP28 LR4 جهاز إرسال واستقبال ضوئي LC بسرعة 100 جيجابت/ثانية، QSFP28 LR4، بتردد 1310 نانومتر، ومدى 10 كيلومترات
وحدة إرسال واستقبال ضوئية 100G QSFP28 LR4، تدعم سرعة نقل تصل إلى 100 جيجابت/ثانية ولمسافة تصل إلى 10 كيلومترات على ألياف SM، وتعمل في حلول اتصال IDC عالية السرعة، وما إلى ذلك. الميزات تصميم MUX/DEMUX بأربعة مسارات شبكة محلية مدمجة بتقنية WDM TOSA / ROSA لمدى يصل إلى 10 كم عبر SMF يدعم 100GBASE-ER4 معدل نقل بيانات يصل إلى 103.125 جيجابت في الثانية وOTU4 معدل نقل بيانات يصل إلى 111.81 جيجابت في الثانية عرض نطاق ترددي إجمالي يزيد عن 100 جيجابت في الثانية موصلات LC مزدوجة متوافق مع معيار IEEE 802.3-2012 البند 88، ومعيار IEEE 802.3bm CAUI-4 الكهربائي من الشريحة إلى الوحدة، ومعيار ITU-T G.959.1-2012-02 مصدر طاقة واحد +3.3 فولت للتشغيل وظائف تشخيص رقمية مدمجة نطاق درجة الحرارة من 0 درجة مئوية إلى 70 درجة مئوية جزء متوافق مع توجيهات RoHS يدعم تصحيح الأخطاء الأمامية (FEC)
100G QSFP28 ER4 جهاز إرسال واستقبال ضوئي LC بسرعة 100 جيجابت/ثانية، من نوع QSFP28 ER4، بمدى يصل إلى 40 كيلومترًا وطول موجي 1310 نانومتر.
وحدة الإرسال والاستقبال الضوئية 100G QSFP28 ER4، تدعم سرعة نقل تصل إلى 100 جيجابت/ثانية ولمسافة تصل إلى 40 كم على الألياف أحادية النمط، وتعمل في حلول اتصال IDC عالية السرعة، وما إلى ذلك. سمات: تصميم MUX/DEMUX بأربعة مسارات يدعم 100GBASE-ER4 لسرعة خط تبلغ 103.125 جيجابت في الثانية. شبكة محلية متكاملة بتقنية WDM TOSA / ROSA لتغطية تصل إلى 40 كم عبر SMF. عرض نطاق ترددي إجمالي يزيد عن 100 جيجابت في الثانية موصلات LC مزدوجة متوافق مع معيار IEEE 802.3-2012 البند 88، ومعيار IEEE 802.3bm CAUI-4 للربط الكهربائي بين الشريحة والوحدة، ومعيار ITU-T G.959.1-2012-02. مصدر طاقة واحد +3.3 فولت للتشغيل وظائف تشخيص رقمية مدمجة نطاق درجة الحرارة من 0 درجة مئوية إلى 70 درجة مئوية جزء متوافق مع توجيهات RoHS يدعم تصحيح الأخطاء الأمامية (FEC)
100G QSFP28 ZR4 جهاز إرسال واستقبال ضوئي LC بسرعة 100 جيجابت QSFP28 ZR4 بمدى 80 كم وطول موجي 1310 نانومتر
وحدة الإرسال والاستقبال الضوئية 100G QSFP28 ZR4، تدعم سرعة نقل تصل إلى 100 جيجابت/ثانية ولمسافة تصل إلى 80 كم على الألياف أحادية النمط، وتعمل في حلول اتصال IDC عالية السرعة، وما إلى ذلك. سمات تصميم MUX/DEMUX بأربعة مسارات يدعم 100GBASE-ZR4 لسرعة خط تبلغ 103.125 جيجابت في الثانية وOTU4 لسرعة خط تبلغ 111.81 جيجابت في الثانية، بالإضافة إلى ليزر LANWDM EML ومستقبل PIN مع SOA عرض نطاق ترددي إجمالي يزيد عن 100 جيجابت في الثانية موصلات LC مزدوجة متوافق مع معيار IEEE 802.3-2012 البند 88، ومعيار IEEE 802.3bm CAUI-4 للربط الكهربائي بين الشريحة والوحدة، ومعيار ITU-T G.959.1-2012-02. مصدر طاقة واحد +3.3 فولت للتشغيل وظائف تشخيص رقمية مدمجة نطاق درجة الحرارة من 0 درجة مئوية إلى 70 درجة مئوية جزء متوافق مع توجيهات RoHS يدعم تصحيح الأخطاء الأمامية (FEC)
100G LR1 10km SFP-DD جهاز إرسال واستقبال ضوئي 100G LR1 10km SFP-DD
تم تصميم جهاز الإرسال والاستقبال الضوئي 100G LR1 SFP56-DD للاستخدام في وصلات إيثرنت بسرعة 100 جيجابت لمسافة تصل إلى 10 كيلومترات عبر الألياف أحادية النمط (SMF). وهو متوافق مع معيار SFP56-DD MSA، ومعيار IEEE802.3CU، ومعيار 100G Lambda 100G LR1، ومعيار 100GAUI-2 (بدون تصحيح الأخطاء الأمامية FEC). تتوفر وظائف التشخيص الرقمي عبر واجهة I2C، وفقًا لما هو محدد في معيار SFP56-DD MSA. تتضمن الوحدة إشارة ضوئية أحادية القناة، بطول موجي مركزي 1311 نانومتر، تعمل بمعدل بيانات 100 جيجابت في الثانية. تستطيع هذه الوحدة تحويل قناتين من بيانات الإدخال الكهربائية بسرعة 53 جيجابت في الثانية (PAM4) إلى قناة واحدة من الإشارة الضوئية بسرعة 106 جيجابت في الثانية (PAM4)، كما تستطيع تحويل قناة واحدة من الإشارة الضوئية بسرعة 106 جيجابت في الثانية (PAM4) إلى قناتين من بيانات الإخراج الكهربائية بسرعة 53 جيجابت في الثانية (PAM). يستخدم المنفذ الضوئي موصل LC مزدوج. يوفر جهاز الإرسال EML المبرد عالي الأداء وجهاز الاستقبال PIN عالي الحساسية أداءً فائقًا لتطبيقات إيثرنت 100 جيجابت لمسافات تصل إلى 10 كيلومترات.
100G QSFP28 DWDM جهاز إرسال واستقبال PAM4 بموصل QSFP28 مزدوج بتقنية DWDM بسرعة 100 جيجابت في الثانية
وحدة إرسال واستقبال ضوئية 100G QSFP28 DWDM، تدعم نظام DWDM 48*100Gb/s وما يصل إلى 80 كم من الإرسال على ألياف SM، وهي تعمل في حلول اتصال IDC عالية السرعة.
100G QSFP28 Bidi optical transceiver وحدة إرسال واستقبال ضوئية ثنائية الاتجاه 100GBASE-SR QSFP28 850/900 نانومتر 100 متر DOM LC MMF
وحدة الإرسال والاستقبال الضوئية 100G QSFP28 BIDI هي وحدة إرسال واستقبال ضوئية قابلة للتوصيل مزودة بواجهة موصل LC مزدوجة، مصممة لتطبيقات نقل البيانات قصيرة المدى والربط البيني باستخدام الألياف متعددة الأنماط (MMF). توفر هذه الوحدة للعملاء حلاً فعالاً يُمكّنهم من إعادة استخدام بنية الألياف متعددة الأنماط المزدوجة الحالية بسرعة 10 جيجابت في الثانية، وذلك للترقية إلى اتصال إيثرنت بسرعة 100 جيجابت في الثانية.
ترك رسالة
ترك رسالة
إذا كنت مهتمًا بمنتجاتنا وترغب في معرفة المزيد من التفاصيل، فيرجى ترك رسالة هنا، وسنرد عليك في أقرب وقت ممكن.

بيت

منتجات

عن

اتصال