مفتاح بصري MEMS 1XN

مفتاح بصري MEMS 1XN

سمات

  • متانة وموثوقية مثبتة لأنظمة MEMS
  • تصميم صغير الحجم
  • وقت تبديل سريع
  • مؤهل وفقًا لمعيار Telcordia GR-1073-CORE ومعيار RoHS

التطبيقات

  • تبديل وتوجيه الإشارات الضوئية
  • حماية واستعادة الشبكة الضوئية
  • مراقبة المسار البصري (العمل مع جهاز قياس انعكاس المجال الزمني البصري أو جهاز قياس التباين البصري)
  • مشاركة موارد الأجهزة

فئات
  • تفاصيل المنتج

مفتاح بصري MEMS 1xN

يعتمد مفتاح MEMS البصري 1xN على تقنية الأنظمة الكهروميكانيكية الدقيقة. ويتيح اختيار القناة بين ليف إدخال واحد وعدد N من ألياف الإخراج عن طريق تدوير مرآة شريحة MEMS.

المفتاح ثنائي الاتجاه، ويمكن استخدامه أيضًا كمفتاح اختيار Nx1. يوفر المفتاح البصري أداءً موثوقًا للغاية، ومتانة عالية، وعمرًا تشغيليًا طويلًا في تصميم صغير الحجم.

تكوينات المنتج

MEMS Optical Switch

ملاحظة: "C": منفذ مشترك

"1، 2، 3...64": منافذ الإخراج المحددة الممكنة = 1~64؛

المواصفات البصرية

المعلمة

قيمة

وحدة

ملحوظة

الطول الموجي

13:1290~1330

15:1525~1568

16:1600-1650

نانومتر

أو يحدد العميل

طول الموجة الاختبارية

1310/1550/1625 أو 1650

نانومتر

قنوات OSW

4/8/12/16/24/32/48/64

شمال

فقد الإدخال

1x4

≤0.8 @S

ديسيبل

@CWL,23°C

بدون موصلات

@S: 13 أو 15 أو 16

@D: 13 و15 أو 15 و16

(في حالة استخدام الموصلات أو الدعامات عند النقطة D، يزداد مستوى الإدخال بمقدار 0.2 إلى 0.3 ديسيبل)

1x8

1x12

≤1.0 @S

1x16

1x24

≤1.2 @S

1x32

1x48

≤1.4 @S

1x64

خسارة العودة

≥45

ديسيبل

أو يحدد العميل

قابلية التكرار

≤0.1

ديسيبل

التداخل

≥40

ديسيبل

أو يحدد العميل

فقدان الاعتماد على الاستقطاب

≤0.2

ديسيبل

فقدان يعتمد على الطول الموجي

≤0.3 @S

≤1.0 @D

ديسيبل

@CWL±20nm, 23°C

فقدان الطاقة تبعًا لدرجة الحرارة

≤0.4 @N≤16

≤0.6 @N≥24

ديسيبل

وقت التبديل

5 @1x16

10 @1x32

آنسة

وحدة

أو يحدد العميل

إذا تم دعم خاصية عدم التعرض للضربات، فسيتضاعف وقت التبديل

متانة

≥1x10 9

دورة

أقصى قدرة بصرية

≤500

ميلي واط

بدون ضربات

اختياري @N≤32

المواصفات الكهربائية والميكانيكية

المعلمة

قيمة

وحدة

ملحوظة

درجة حرارة التشغيل

-5~65

درجة مئوية

درجة حرارة التخزين

-40~85

درجة مئوية

عملية الترطيب

5~95

%RH

رطوبة التخزين

5~95

%RH

نوع/طول السلك والوصلة

المعلمة

قيمة

وحدة

ملحوظة

نوع الألياف

G657A2 أو G657B3 ألياف عارية 250 ميكرومتر

وصلة ألياف ضوئية (جميع المنافذ)

ألياف بقطر 250 ميكرومتر أو أنبوب فضفاض بقطر 900 ميكرومتر

طول الألياف (جميع المنافذ)

1.00±0.05

م

أو يحدد العميل

موصل بصري (جميع المنافذ)

لا أحد

أو يحدد العميل

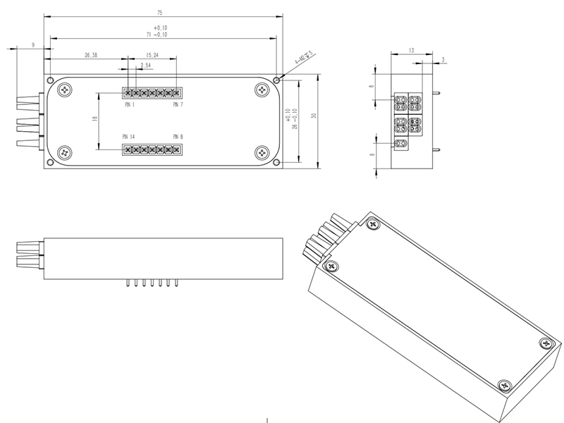
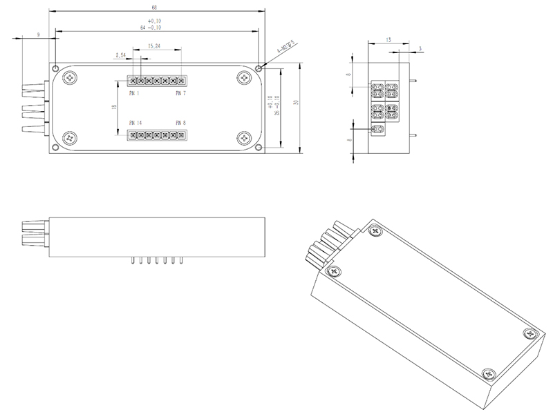
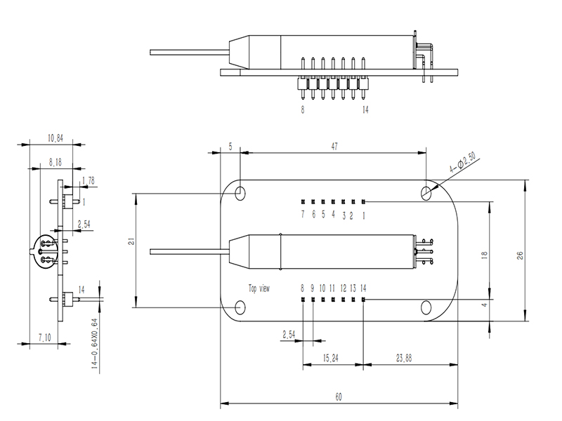
الرسومات الميكانيكية

MEMS Optical Switch

الشكل 1: الرسومات الميكانيكية (1xN≤16)



MEMS Optical Switch

الشكل 2: الرسومات الميكانيكية (1xN≥24)



MEMS Optical Switch

الشكل 3: جهاز أسطواني مع لوحة دوائر مطبوعة (النوع أ، 1xN≥24)



MEMS Optical Switch

الشكل 4 الوحدة (النوع ب، 1xN≤16)



MEMS Optical Switch

الشكل 5: الوحدة (النوع ب، 1xN≤32)


هل تريد معرفة المزيد عن هذا المنتج؟

أرسل أ رسالة
ترك رسالة

إذا كنت مهتمًا بمنتجاتنا وترغب في معرفة المزيد من التفاصيل، فيرجى ترك رسالة هنا، وسنرد عليك في أقرب وقت ممكن.

المنتجات ذات الصلة
MEMS Fiber Optical Switch مفتاح بصري MXN MEMS
سمات متانة وموثوقية مثبتة لأنظمة MEMS تصميم صغير الحجم واجهة UART بتقنية TTL مؤهل وفقًا لمعيار Telcordia GR-1073-CORE ومعيار RoHS التطبيقات اختيار المسار البصري رف توزيع بصري أوتوماتيكي
Variable Optical Attenuator مخفف بصري متغير بتقنية MEMS VOA
ميزات المنتج فقدان إدخال منخفض يعتمد على الاستقطاب المنخفض حجم صغير متوفر في كلتا الحالتين: المفتوحة عادةً والمغلقة عادةً. موثوقية ممتازة تطبيق المنتج إدارة الطاقة حماية جهاز الاستقبال توازن القنوات الأجهزة
1X12 MEMS Fiber Optical Switch,PM Fiber Module مفتاح ألياف ضوئية MEMS 1X12 PM (حافظ للاستقطاب) 1550 نانومتر 0.9 مم 0.5 متر، ألياف PM FC/APC، وحدة 158×150×29 نانومتر
سمات متانة وموثوقية مثبتة لأنظمة MEMS تصميم صغير الحجم وقت تبديل سريع مؤهل وفقًا لمعيار Telcordia GR-1073-CORE ومعيار RoHS واجهة تحكم UART/TTL أو UART/RS232
1X10 PM MEMS optical switch مفتاح بصري MEMS 1X10 PM
سمات متانة وموثوقية مثبتة لأنظمة MEMS تصميم صغير الحجم وقت تبديل سريع مؤهل وفقًا لمعيار Telcordia GR-1073-CORE ومعيار RoHS واجهة تحكم UART/TTL أو UART/RS232
1X4 PM MEMS Optical Switch مفتاح بصري MEMS 1X4 PM
سمات متانة وموثوقية مثبتة لأنظمة MEMS تصميم صغير الحجم وقت تبديل سريع مؤهل وفقًا لمعيار Telcordia GR-1073-CORE ومعيار RoHS واجهة تحكم UART/TTL أو UART/RS232
2-Optical 4-Electrical Ethernet Gigabit Industrial Switch  FW104GS-2F مفتاح صناعي جيجابت إيثرنت ثنائي الألياف الضوئية ورباعي الألياف الكهربائية FW104GS-2F
4 منافذ RJ45 بسرعة 10/100/1000 ميجابت في الثانية + منفذان SFP بسرعة جيجابت (للوصلة الصاعدة) يُعدّ FW104GS-2F محوّل إيثرنت صناعيًا كاملًا لإدارة جيجابت، يدعم نظام APOLLO السحابي المرئي للإدارة والتشغيل والصيانة. يمكن إدارة وتشغيل وصيانة الجهاز عبر الأجهزة المحمولة وأجهزة الكمبيوتر والمحطات الطرفية المحلية. يوفر FW104GS-2F وظائف إدارة متقدمة ثنائية الطبقات، مثل إدارة المنافذ، وتجميع الروابط، وبروتوكول STP، وحماية الحلقات، وبروتوكول IMGP، ومصادقة المستخدم والجهاز 802.1X بناءً على المنفذ/عنوان MAC، ودعم وظائف VLAN، مما يضمن أمان واستقرار النظام. يتميز بقدرة معالجة خدمات قوية، ويدعم آلية المغادرة السريعة والاستعلام عن البث المتعدد من الطبقة الثانية، بالإضافة إلى دعم البث المتعدد الثابت IPv4 والبث المتعدد الثابت IPv6 من الطبقة الثانية. يصل زمن الإصلاح الذاتي لشبكة الحلقة التي تدعم تقنية RUN Ring إلى 10 مللي ثانية، كما تدعم تقنية الحماية متعددة الحلقات لشبكة إيثرنت العامة، وهي مقاومة للاهتزاز والغبار، وتتوافق مع معيار الحماية IP40، بالإضافة إلى حماية منافذها من الصواعق عالية الجهد حتى 6 كيلو فولت. تتميز الشبكة بسهولة الإدارة والصيانة، وتدعم طرق إدارة متعددة مثل Console وTelnet وSSH.
10G Multimode 850nm Industrial-grade 10Pin Optical Module وحدة بصرية صناعية متعددة الأوضاع بسرعة 10 جيجابت/ثانية وطول موجي 850 نانومتر ذات 10 دبابيس
وصف الميزة تصميم هيكلي أكثر إحكامًا: ارتفاع الوحدة 12 مم فقط دبابيس إدخال/إخراج مثبتة على السطح مُحسَّنة لضمان سلامة الإشارة عالية السرعة غلاف معدني كامل نطاق واسع لدرجات الحرارة مع تصميم مضاد للاهتزاز مزود بوظيفة الكشف عن إشارة البيانات المستلمة يعمل حصريًا على مصدر طاقة واحد بجهد +3.3 فولت نوع واجهة LC أبعاد الدبابيس والتركيب متوافقة تمامًا مع منتجات ستراتوس
25G SFP28 Transceiver جهاز إرسال واستقبال ضوئي SFP28 LWDM بسرعة 25 جيجابت
وحدة الإرسال والاستقبال الضوئية 25G SFP28 LWDM، تدعم سرعة نقل تصل إلى 25 جيجابت/ثانية ولمسافة تصل إلى 10 كيلومترات، وتعمل في حلول اتصال IDC عالية السرعة، وحلول النقل الأمامي لشبكة 5G، وما إلى ذلك.
ترك رسالة
ترك رسالة
إذا كنت مهتمًا بمنتجاتنا وترغب في معرفة المزيد من التفاصيل، فيرجى ترك رسالة هنا، وسنرد عليك في أقرب وقت ممكن.

بيت

منتجات

عن

اتصال