جهاز إرسال واستقبال ضوئي 200G QSFP56 FR4 2KM LC PAM4

جهاز إرسال واستقبال ضوئي 200G QSFP56 FR4 2KM LC PAM4

ميزة صور

  • أجهزة إرسال واستقبال بأربعة قنوات مزدوجة
  • مصفوفة CWDM متكاملة من LD و PD
  • واجهة توصيل متوافقة مع LC/UPC
  • مصدر طاقة واحد +3.3 فولت
  • تم تنفيذ وظيفة DDM
  • عامل الشكل QSFP56 القابل للتوصيل السريع
  • يصل طول الإرسال إلى 2 كم
  • استهلاك منخفض للطاقة: أقل من 6.5 واط
  • معتمد دوليًا من الفئة الأولى في مجال السلامة من الليزر
  • نطاق درجة حرارة التشغيل: من 0 درجة مئوية إلى +70 درجة مئوية
  • متوافق مع معيار RoHS10

التطبيقات

  • إيثرنت 200GBASE-FR4
  • توصيلات المحول والموجه
  • مراكز البيانات
  • متطلبات الربط البيني الأخرى بسرعة 200 جيجابت.

المعايير

  • IEEE 802.3cd
  • CMIS Rev 4.0
  • OIF-CEI-04.0 56G-VSR-PAM4
  • IEEE 802.3bs الملحق 120E
  • SFF-8024 الإصدار 4.6
  • SFF-8679 Rev1.8
  • SFF-8665 Rev1.9


فئات
  • تفاصيل المنتج

RQ56-200G-FR4

جهاز إرسال واستقبال ضوئي LC بسرعة 200 جيجابت/ثانية من نوع QSFP56 FR4 بمدى 2 كيلومتر

200G QSFP56

صُمم جهاز الإرسال والاستقبال 200G QSFP56 FR4 لنقل واستقبال البيانات الضوئية بمعدل 50 جيجابت/ثانية لكل قناة باستخدام تنسيق تعديل PAM4 عبر ألياف أحادية الوضع يصل طولها إلى 2 كيلومتر. وهو جهاز إرسال واستقبال قابل للتوصيل أثناء التشغيل، ويأتي في حزمة QSFP56. تتضمن الوحدة معالج إشارة رقمي عالي الأداء (DSP) ووحدة LD PIN وغيرها.


تحديد

(تم الاختبار في ظل ظروف التشغيل الموصى بها، ما لم يُذكر خلاف ذلك)

المعلمة

رمز

وحدة

مين

النوع

الأعلى

ملحوظات

جهاز الإرسال (لكل حارة)

سرعة الإشارة لكل حارة


GBd


26.5625



تنسيق التعديل




PAM4





الطول الموجي المركزي



WL



نانومتر

1264.5

1271

1277.5


1284.5

1291

1297.5


1304.5

1311

1317.5


1324.5

1331

1337.5


نسبة كبح الوضع الجانبي

SMSR

ديسيبل

30




متوسط قوة الإطلاق لكل مسار

TXPx

ديسيبل ميلي واط

-4.2


4.7


إدارة حركة المرور لكل مسار

TXOMA

ديسيبل ميلي واط

-1.2


4.5


نسبة الانقراض البصري

غرفة الطوارئ

ديسيبل

3.5




إغلاق جهاز الإرسال وعين التشتت لـ PAM4 لكل حارة

TDECQ

ديسيبل



3.3


تحمل فقدان العودة البصرية

الأنف والأذن والحنجرة

ديسيبل



16.5


ضوضاء الشدة النسبية

RIN

ديسيبل/هرتز



-132


جهاز الاستقبال (لكل حارة)

سرعة الإشارة لكل حارة




26.5625





الطول الموجي المركزي



WL



نانومتر

1264.5

1271

1277.5


1284.5

1291

1297.5


1304.5

1311

1317.5


1324.5

1331

1337.5


عتبة الضرر

DT

ديسيبل ميلي واط

5.7




متوسط قوة الإطلاق لكل مسار

RXP

ديسيبل ميلي واط

-8.2


4.7


انعكاس جهاز الاستقبال

Rfl

ديسيبل



-26


الفرق في طاقة الاستقبال بين أي مسارين


ديسيبل



4.1


حساسية جهاز الاستقبال (OMA الخارجي)


ديسيبل ميلي واط



-6


حساسية جهاز الاستقبال المجهدة

(أوما الخارجي)


ديسيبل ميلي واط



-3.6



معلومات الطلب

PN

P العبوة

معدل البيانات

الليزر

كاشف

درجة حرارة

يصل

آحرون

طلب

RQ56 -200G-FR4

QSFP56

200 غرام

الاتحاد الألماني لكرة القدم

دبوس

0~70 درجة مئوية

2 كم

RoHS

قاعدة 200 غرام FR4


PN

RQ56 -200G-FR4

وصف

جهاز إرسال واستقبال 200G Base FR4 -CT

رقم SAP

-

رقم تعريف العميل

-


أعلى التقييمات المطلقة

المعلمة

رمز

وحدة

مين

الأعلى

ستورا نطاق درجة الحرارة

تس

درجة مئوية

-40

+85

الرطوبة النسبية

RH

%

5

85

جهد مصدر الطاقة

Vcc

V

-0.5

+4.0


ظروف التشغيل الموصى بها

با مقياس

رمز

وحدة

مين

النوع

الأعلى

نطاق درجة حرارة علبة التشغيل

Tc

أو سي

0

/

70

جهد مصدر الطاقة

Vcc

V

3.135

3.3

3.465

معدل نقل البيانات (لكل قناة)

BR

GBd


26.5625



واجهة بصرية

200G QSFP56


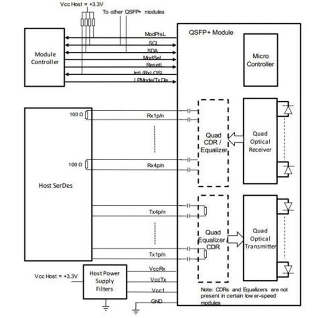
مخطط المبدأ

200G QSFP56


تعريف المنافذ الكهربائية

المعلمة

رمز

وحدة

مين

النوع

الأعلى

ملحوظات

جهد التغذية

VCC

VCC3.3-Tx

VCC3.3-Rx

V

3.135

3.3

3.465


استهلاك الطاقة

جهاز كمبيوتر

دبليو



6.5


وقت تهيئة جهاز الإرسال والاستقبال عند التشغيل


آنسة



2000


جهاز الإرسال

تحمل جهد الدخل التفاضلي من الذروة إلى الذروة


ملي فولت

900




عدم تطابق الإنهاء التفاضلي


%



10


فقدان العودة التفاضلي للإدخال (SDD11)


ديسيبل



يرى

CEI-56G

-VSR


التحويل من الوضع المشترك إلى الوضع التفاضلي والتحويل التفاضلي الوضع المشترك

التحويل (SCD11، SDC11)


ديسيبل



يرى

CEI-56G

-VSR


المتلقي

جهد الخرج التفاضلي من الذروة إلى الذروة


ملي فولت



900


جهد الوضع المشترك للتيار المستمر

Vcm

ملي فولت

-0.35


2.85


ضوضاء الوضع المشترك للتيار المتردد، RMS


ملي فولت



17.5


عدم تطابق الإنهاء التفاضلي


%



10



خسارة العودة التفاضلية للمخرجات (SDD22)



ديسيبل



يرى

CEI-56G

-VSR


التحويل من الوضع المشترك إلى الوضع التفاضلي والتحويل من الوضع التفاضلي إلى الوضع المشترك

التحويل (SCD22، SDC22)



ديسيبل



يرى

CEI-56G

-VSR









الاتصالات IIC

تردد ساعة IIC

-

كيلو هرتز

/

400

1000


تمديد الساعة

-

نحن

/

/

500


وقت انتظار البيانات

-

ns

/

/

/



مخطط الحزمة


200G QSFP56



هل تريد معرفة المزيد عن هذا المنتج؟

أرسل أ رسالة
ترك رسالة

إذا كنت مهتمًا بمنتجاتنا وترغب في معرفة المزيد من التفاصيل، فيرجى ترك رسالة هنا، وسنرد عليك في أقرب وقت ممكن.

المنتجات ذات الصلة
200G QSFP56 SR4 جهاز إرسال واستقبال 200G QSFP56 SR4 100m 850nm PAM4
سمات واجهة بصرية تسلسلية QSFP56 واجهة كهربائية 4x50G PAM4 معاد توقيتها 200GAUI-4 C2M موصل MPO-12 مصفوفة VCSEL رباعية القنوات ومصفوفة كاشف ضوئي PIN رباعية القنوات > أقصى طول للوصلة 70 مترًا على OM3 أو 100 متر على OM4 متوافق مع معايير QSFP MSA عامل الشكل QSFP56 القابل للتوصيل السريع متوافق مع معيار SFF8636 الإصدار 2.10a بروتوكول الدعم ل متوافق مع معيار IEEE 802.3cd استهلاك منخفض للطاقة أقل من 5 واط في نطاق درجة حرارة من 0 إلى 70 درجة مئوية التطبيقات إيثرنت 200GBASE-SR4200G مركز البيانات
200Gb/s QSFP DD PSM8 10km Optical Transceiver جهاز إرسال واستقبال ضوئي QSFP DD PSM8 بسرعة 200 جيجابت/ثانية بمدى 10 كيلومترات
وحدة FiberWDM RQD-200G10-PSM8 هي وحدة إرسال واستقبال ضوئية من نوع QSFP DD PSM8، ثمانية القنوات، قابلة للتوصيل، متوازية، مصممة لتطبيقات إيثرنت 2×100 جيجابت، وتطبيقات Infiniband DDR/EDR. تُعد هذه الوحدة عالية الأداء لتطبيقات نقل البيانات والربط البيني، حيث تدمج ثمانية مسارات بيانات في كل اتجاه بعرض نطاق ترددي 208 جيجابت في الثانية. يمكن لكل مسار العمل بسرعة 26 جيجابت في الثانية لمسافة تصل إلى 10 كيلومترات عبر ألياف G.652 أحادية النمط. صُممت هذه الوحدات للعمل عبر أنظمة الألياف أحادية النمط باستخدام طول موجي اسمي 1310 نانومتر. تستخدم الواجهة الكهربائية موصلًا طرفيًا بـ 76 نقطة اتصال، بينما تستخدم الواجهة الضوئية موصل MTP (MPO) بـ 24 ليفًا. تجمع هذه الوحدة بين تقنية FiberWDM المثبتة في الدوائر والتقنية الضوئية لتوفير موثوقية عالية، وعمر طويل، وأداء متميز، وخدمة متسقة.
200G QSFP-DD SR8 Transceiver جهاز إرسال واستقبال ضوئي 200G QSFP-DD SR8 بمدى 100 متر
سمات: معدل نقل بيانات يصل إلى 28.05 جيجابت في الثانية لكل قناة باستخدام تعديل NRZ يدعم واجهة كهربائية 200GAUI-8 مصفوفة VCSEL متكاملة بتردد 850 نانومتر ومصفوفة PD عامل الشكل QSFP-DD القابل للتوصيل السريع يدعم MPO-16 APC أو 2*MPO-12 UPC متوافق مع معيار QSFP-DD للأجهزة متوافق مع معيار CMIS 4.0 أقصى استهلاك للطاقة 3.5 واط مصدر طاقة واحد 3.3 فولت درجة حرارة تشغيل العلبة من 0 درجة مئوية إلى 70 درجة مئوية ليزر من الفئة 1 متوافق مع توجيهات RoHS
25G SFP28 Transceiver جهاز إرسال واستقبال ضوئي SFP28 بسرعة 25 جيجابت
وحدة إرسال واستقبال ضوئية SFP28 بسرعة 25 جيجابت/ثانية، تدعم سرعة نقل تصل إلى 25 جيجابت/ثانية، ودقة فائقة تصل إلى 100 متر، ودقة منخفضة 25G SFP28 يصل مدى الإرسال إلى 10 كيلومترات، و ER 25G SFP28 يصل مداها إلى 40 كم، وتعمل في حلول اتصال IDC عالية السرعة، وما إلى ذلك.
Ethernet switch 48 PoE RJ45 Port and 6X10G SFP+ ES528X-PWR ES554X-PWR مفتاح إيثرنت مزود بـ 48 منفذ PoE RJ45 و 6 منافذ SFP+ بسرعة 10 جيجابت/ثانية، طراز ES528X-PWR و ES554X-PWR
وصف المنتج يُعدّ ES554X-PWR محوّل PoE مُدارًا من الطبقة الثالثة. ولتلبية متطلبات الوصول عالي الأداء، يوفر المحوّل 48 منفذًا من نوع Gigabit PoE+ بإجمالي طاقة 780 واط، بالإضافة إلى 6 فتحات SFP+ بسرعة 10 جيجابت. بفضل هيكله المبتكر ومنصة برمجياته المتطورة، يتميز بقدرة معالجة فائقة وآلية حماية أمنية متكاملة، مما يجعل الإدارة والصيانة سهلة وبسيطة، ويلبي تمامًا متطلبات الوصول عالي الكثافة وتجميع البيانات عالي الأداء، مما يجعله مثاليًا لطبقة التجميع أو طبقة الوصول في الشبكات المتوسطة والكبيرة، مثل شبكات المؤسسات والجامعات.
100G QSFP28 LR4 جهاز إرسال واستقبال ضوئي LC بسرعة 100 جيجابت/ثانية، QSFP28 LR4، بتردد 1310 نانومتر، ومدى 10 كيلومترات
وحدة إرسال واستقبال ضوئية 100G QSFP28 LR4، تدعم سرعة نقل تصل إلى 100 جيجابت/ثانية ولمسافة تصل إلى 10 كيلومترات على ألياف SM، وتعمل في حلول اتصال IDC عالية السرعة، وما إلى ذلك. الميزات تصميم MUX/DEMUX بأربعة مسارات شبكة محلية مدمجة بتقنية WDM TOSA / ROSA لمدى يصل إلى 10 كم عبر SMF يدعم 100GBASE-ER4 معدل نقل بيانات يصل إلى 103.125 جيجابت في الثانية وOTU4 معدل نقل بيانات يصل إلى 111.81 جيجابت في الثانية عرض نطاق ترددي إجمالي يزيد عن 100 جيجابت في الثانية موصلات LC مزدوجة متوافق مع معيار IEEE 802.3-2012 البند 88، ومعيار IEEE 802.3bm CAUI-4 الكهربائي من الشريحة إلى الوحدة، ومعيار ITU-T G.959.1-2012-02 مصدر طاقة واحد +3.3 فولت للتشغيل وظائف تشخيص رقمية مدمجة نطاق درجة الحرارة من 0 درجة مئوية إلى 70 درجة مئوية جزء متوافق مع توجيهات RoHS يدعم تصحيح الأخطاء الأمامية (FEC)
10G DWDM  Transceiver جهاز إرسال واستقبال SFP قابل للضبط بتقنية DWDM بسرعة 10 جيجابت/ثانية ومدى 80 كم
الميزات: يدعم معدلات نقل بيانات من 9.95 إلى 11.3 جيجابت/ثانية قابل للتوصيل السريع موصل LC مزدوج جهاز إرسال ليزر قابل للضبط بتقنية DWDM كاشف ضوئي APD شبكة ITU-T بتردد 50 جيجاهرتز، النطاق C وصلات SMF تصل إلى 80 كم واجهة ثنائية الأسلاك لمواصفات الإدارة المتوافقة مع واجهة مراقبة التشخيص الرقمي SFF 8472 مصدر الطاقة: +3.3 فولت استهلاك الطاقة
10 Gigabit Uplink Gigabit Managed POE Switch FW5700-24GP-4TF مفتاح تحويل جيجابت مُدار بتقنية PoE بسرعة 10 جيجابت للوصلة الصاعدة FW5700-24GP-4TF
24 منفذ RJ45 بسرعة 10/100/1000 ميجابت في الثانية + 4 منافذ SFP بسرعة 10 جيجابت يُعدّ FW5700-24GP-4TF محوّلاً ذكياً مُداراً للشبكة، مزوّداً بـ 24 منفذاً. يحتوي على 24 منفذاً تكيفياً بسرعة 10/100/1000 ميجابت في الثانية، بالإضافة إلى 4 منافذ SFP+ بسرعة 10 جيجابت، لتوفير عرض نطاق ترددي كافٍ لدمج البيانات وتبادلها بشكل أساسي. يمكن للمستخدمين اختيار منافذ 10 جيجابت المناسبة لتلبية متطلبات الشبكة بمرونة. يعتمد هذا المنتج على جيل جديد من منصات الأجهزة والبرامج عالية الأداء، ويدعم بروتوكولات التوجيه ثلاثية الطبقات، وآليات حماية أمنية متكاملة، وسياسات ACL/QoS مثالية، ووظائف VLAN غنية، مما يجعله سهل الإدارة والصيانة. يلبي هذا المنتج متطلبات المستخدمين فيما يتعلق بمعدات الشبكات التي تتميز بسهولة الإدارة، والأمان العالي، والتكلفة المنخفضة، وهو مناسب لشبكات الجامعات، والفنادق، وشبكات الشركات، حيث يوفر إمكانية الوصول إلى الشبكات، ودمج البيانات، وسيناريوهات التطبيقات المتعددة الأساسية.
ترك رسالة
ترك رسالة
إذا كنت مهتمًا بمنتجاتنا وترغب في معرفة المزيد من التفاصيل، فيرجى ترك رسالة هنا، وسنرد عليك في أقرب وقت ممكن.

بيت

منتجات

عن

اتصال